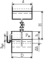
Для студентов НГТУ им. Р.Е. Алексеева по предмету Механика жидкости и газа (МЖГ или Гидравлика)Два резервуара, открытый диаметром d и закрытый диаметром D, соединены вертикальной трубой и частично заполнены водой. При закрытой задвижке труба запДва резервуара, открытый диаметром d и закрытый диаметром D, соединены вертикальной трубой и частично заполнены водой. При закрытой задвижке труба зап
5,00513
2022-04-162022-04-16СтудИзба
Два резервуара, открытый диаметром d и закрытый диаметром D, соединены вертикальной трубой и частично заполнены водой. При закрытой задвижке труба заполнена водой, разность уровней в резервуарах равна H, толщина воздушной подушки в закрытом резервуар
Описание

Определить изменение уровня воды Δh в нижнем резервуаре и показание ртутного манометра hрт после открытия задвижки на трубе и перетекания воды. Процесс расширения воздуха считать изотермическим.
Задача 1-19. D=1 м, d=0,5 м, H=2м, h=0,5 м, hатм=730 мм.рт.ст, Рм=0,6 атм
Характеристики решённой задачи
Учебное заведение
Номер задания
Вариант
Теги
Просмотров
154
Качество
Скан печатных листов
Размер
1,09 Mb
Список файлов
1-19.1.jpg
1-19.2.jpg
