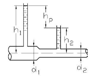
Для студентов по предмету Механика жидкости и газа (МЖГ или Гидравлика)На водопроводной трубе диаметром d1= 0,1 м установлен водомер диаметром d2 = 0,05м (рис.3). На какую высоту h2 поднимается вода в пьезометрической труНа водопроводной трубе диаметром d1= 0,1 м установлен водомер диаметром d2 = 0,05м (рис.3). На какую высоту h2 поднимается вода в пьезометрической тру
5,0056
2021-10-142021-10-14СтудИзба
На водопроводной трубе диаметром d1= 0,1 м установлен водомер диаметром d2 = 0,05м (рис.3). На какую высоту h2 поднимается вода в пьезометрической трубке, присоединенной к суженному сечению, при пропуске расхода Q = 0,005 м3/с, если уровень воды в пь
Описание
На водопроводной трубе диаметром d1= 0,1 м установлен водомер диаметром d2 = 0,05м (рис.3). На какую высоту h2 поднимается вода в пьезометрической трубке, присоединенной к суженному сечению, при пропуске расхода Q = 0,005 м3/с, если уровень воды в пьезометре, присоединенном к трубе, h1 = 0,8м? Потери напора не учитывать.

Характеристики решённой задачи
Программы
Просмотров
48
Качество
Идеальное компьютерное
Размер
46,18 Kb
Список файлов
