Главная » Учебные материалы » Механика жидкости и газа (МЖГ или Гидравлика) » Решения задач » Несколько классов/семестров » Определить основные параметры четырехлинейного золотникового распределителя: площадь проходной щели, максимальный ход золотника, осевую силу, необходимую для перестановки золотника, если максимальная скорость равноускоренного перемещения золотника V3
Для студентов по предмету Механика жидкости и газа (МЖГ или Гидравлика)Определить основные параметры четырехлинейного золотникового распределителя: площадь проходной щели, максимальный ход золотника, осевую силу, необходиОпределить основные параметры четырехлинейного золотникового распределителя: площадь проходной щели, максимальный ход золотника, осевую силу, необходи
5,0055
2017-01-28СтудИзба

Определить основные параметры четырехлинейного золотникового распределителя: площадь проходной щели, максимальный ход золотника, осевую силу, необходимую для перестановки золотника, если максимальная скорость равноускоренного перемещения золотника V3

Описание

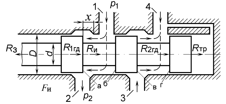
Определить основные параметры четырехлинейного золотникового распределителя: площадь проходной щели, максимальный ход золотника, осевую силу, необходимую для перестановки золотника, если максимальная скорость равноускоренного перемещения золотника V3=0,005м/с, радиальный зазор между гильзой и золотником δ= 0,05*10-3 м. Массу золотника вычислять по формуле m= 20*D2*d. Диаметр шейки золотника d=0,65D3.

В word13.

Характеристики решённой задачи

Программы
Просмотров
629
Качество
Идеальное компьютерное
Размер
57,57 Kb

Список файлов

17499-12435-1485610250-zadacha-.docx
Картинка-подпись

Комментарии

Поделитесь ссылкой:
Цена: 79 руб.
Расширенная гарантия +3 недели гарантии, +10% цены
Рейтинг покупателей
5 из 5
Поделитесь ссылкой:
Сопутствующие материалы
Скорость движения поршня гидроцилиндра регулируется с помощью щелевого дросселя (см. рис.). Определить время движения поршня при прямом ходе и обратном. Потерями давления в гидролинии между дросселем и гидроцилиндром пренебречь. Давление настройки кл
Определить требуемую жесткость пружины клапана (см. рис.), если усилие сжатия пружины при открытом клапане увеличилось на 20 % по сравнению с усилием, действующим в момент его открытия и величину подъема запирающего элемента, необходимую для пропуска
Рассчитать основные геометрические параметры аксиально-поршневого насоса: диаметр цилиндра (плунжера) d, ход плунжера h, диаметр дели-тельной окружности ротора D, а также мощность насоса, если число цилиндров z = 7, угол наклона диска γ= 20°, объемны
Определить угол наклона диска γ аксиально-поршневого гидромотора, установленного вместо гидроцилиндра. Перепад давления Δргм = 2 МПа. Объемный КПД ηо= 0,98, механический КПД ηм=0,9. Каким будет крутящий момент гидромотора? Конструктивные размеры гидр
FREE
И.И. Куколевский, Л.Г. Подвидз - Сборник задач по машиностроительной гидравлике
В гидравлической системе (рисунок 1), размеры которой приведены в таблице 1, определить расход протекаемой жидкости Q при температуре t0 C при полностью открытом запорном вентиле А (ξвен=2,0), если давление в емкости Рм и высота уровня жидкости Н0 за

Подобрали для Вас услуги

-33%
-30%
Вы можете использовать решённую задачу для примера, а также можете ссылаться на неё в своей работе. Авторство принадлежит автору работы, поэтому запрещено копировать текст из этой работы для любой публикации, в том числе в свою задачу в учебном заведении, без правильно оформленной ссылки. Читайте как правильно публиковать ссылки в своей работе.
Свежие статьи
Популярно сейчас
А знаете ли Вы, что из года в год задания практически не меняются? Математика, преподаваемая в учебных заведениях, никак не менялась минимум 30 лет. Найдите нужный учебный материал на СтудИзбе!
Ответы на популярные вопросы
Да! Наши авторы собирают и выкладывают те работы, которые сдаются в Вашем учебном заведении ежегодно и уже проверены преподавателями.
Да! У нас любой человек может выложить любую учебную работу и зарабатывать на её продажах! Но каждый учебный материал публикуется только после тщательной проверки администрацией.
Вернём деньги! А если быть более точными, то автору даётся немного времени на исправление, а если не исправит или выйдет время, то вернём деньги в полном объёме!
Да! На равне с готовыми студенческими работами у нас продаются услуги. Цены на услуги видны сразу, то есть Вам нужно только указать параметры и сразу можно оплачивать.
Отзывы студентов
Ставлю 10/10
Все нравится, очень удобный сайт, помогает в учебе. Кроме этого, можно заработать самому, выставляя готовые учебные материалы на продажу здесь. Рейтинги и отзывы на преподавателей очень помогают сориентироваться в начале нового семестра. Спасибо за такую функцию. Ставлю максимальную оценку.
Лучшая платформа для успешной сдачи сессии
Познакомился со СтудИзбой благодаря своему другу, очень нравится интерфейс, количество доступных файлов, цена, в общем, все прекрасно. Даже сам продаю какие-то свои работы.
Студизба ван лав ❤
Очень офигенный сайт для студентов. Много полезных учебных материалов. Пользуюсь студизбой с октября 2021 года. Серьёзных нареканий нет. Хотелось бы, что бы ввели подписочную модель и сделали материалы дешевле 300 рублей в рамках подписки бесплатными.
Отличный сайт
Лично меня всё устраивает - и покупка, и продажа; и цены, и возможность предпросмотра куска файла, и обилие бесплатных файлов (в подборках по авторам, читай, ВУЗам и факультетам). Есть определённые баги, но всё решаемо, да и администраторы реагируют в течение суток.
Маленький отзыв о большом помощнике!
Студизба спасает в те моменты, когда сроки горят, а работ накопилось достаточно. Довольно удобный сайт с простой навигацией и огромным количеством материалов.
Студ. Изба как крупнейший сборник работ для студентов
Тут дофига бывает всего полезного. Печально, что бывают предметы по которым даже одного бесплатного решения нет, но это скорее вопрос к студентам. В остальном всё здорово.
Спасательный островок
Если уже не успеваешь разобраться или застрял на каком-то задание поможет тебе быстро и недорого решить твою проблему.
Всё и так отлично
Всё очень удобно. Особенно круто, что есть система бонусов и можно выводить остатки денег. Очень много качественных бесплатных файлов.
Отзыв о системе "Студизба"
Отличная платформа для распространения работ, востребованных студентами. Хорошо налаженная и качественная работа сайта, огромная база заданий и аудитория.
Отличный помощник
Отличный сайт с кучей полезных файлов, позволяющий найти много методичек / учебников / отзывов о вузах и преподователях.
Отлично помогает студентам в любой момент для решения трудных и незамедлительных задач
Хотелось бы больше конкретной информации о преподавателях. А так в принципе хороший сайт, всегда им пользуюсь и ни разу не было желания прекратить. Хороший сайт для помощи студентам, удобный и приятный интерфейс. Из недостатков можно выделить только отсутствия небольшого количества файлов.
Спасибо за шикарный сайт
Великолепный сайт на котором студент за не большие деньги может найти помощь с дз, проектами курсовыми, лабораторными, а также узнать отзывы на преподавателей и бесплатно скачать пособия.
Популярные преподаватели
Добавляйте материалы
и зарабатывайте!
Продажи идут автоматически
6721
Авторов
на СтудИзбе
285
Средний доход
с одного платного файла
Обучение Подробнее