Для студентов МГТУ им. Н.Э.Баумана по предмету Механика жидкости и газа (МЖГ или Гидравлика)Стенд для исследования истечения жидкости через отверстия и насадки. Все три пункта.Стенд для исследования истечения жидкости через отверстия и насадки. Все три пункта.
5,00523
2020-06-062020-06-06СтудИзба
Курсовая работа: Стенд для исследования истечения жидкости через отверстия и насадки. Все три пункта.
Описание
Первый пункт решен рукописно, второй и третий в маткаде
Курсовая работа по МЖГ
«Стенда для исследования истечения жидкости через отверстия и насадки»
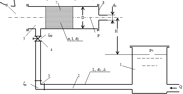
Схема стенда для экспериментального исследования истечения жидкости через отвер-стия и насадки представлена на рисунке (указаны только те элементы, которые необходи-мы для выполнения гидравлических расчетов).
Из бака 1, в котором поддерживается постоянный уровень, вода под избыточным давле-нием ро =250 кПа по трубопроводу 2 (длина L =12 м, диаметр d1 =38 мм, эквивалентная шероховатость Δ =0,2 мм), на котором имеется колено 3 (коэффициент местного сопро-тивления ζк = 1,2) и регулировочный вентиль 4, поступает в успокоительную емкость 5. Эта емкость представляет собой трубу диаметром D =250 мм, которая с одной стороны закрыта полусферической крышкой 6, а с другой имеет приспособление для установки сменных дисков 8 с различного вида отверстиями и насадками. В емкости 5 для гашения пульсаций установлен пакет 7 из n =200 латунных трубок (эквивалентная шероховатость Δ≈0) длиной l =0,8 м и диаметром d2 =5 мм.
Определить:
І. Силу давления на полусферическую крышку 6 при закрытом отверстии в диске 8, если ее ось расположена на высоте Н=4 м от уровня воды в баке 1.
ІІ. Построить графики зависимости Q(p) (расхода от давления р перед диском 8) для двух случаев - при истечении воды через отверстие с острой кромкой и цилиндрический насадок с одинаковыми диаметрами do=12 мм (0< p < 0,15 МПа). (Принять коэффициенты расхода: для отверстия - 0,6, а для цилиндрического насадка - 0,8; коэффициент сжатия струи в насадке - 0,62; атмосферное давление рат=100 кПа, давление насыщенных паров рнп=2 кПа .)
ІІІ. При каком значении коэффициента сопротивления ζв вентиля 4 происходит срыв работы цилиндрического насадка? (Потерей на входе в латунные трубочки пренебречь.)
При выполнении первого пункта задания проработать раздел дисциплины «Гидростати-ка» и решить задачи.
При выполнении второго пункта задания проработать разделы: «Местные сопротивле-ния» и «Истечение через отверстия и насадки» и решить задачи.
При выполнении третьего пункта задания проработать раздел «Расчет простого и слож-ного трубопровода» и решить задачи.
![]()
Курсовая работа по МЖГ
«Стенда для исследования истечения жидкости через отверстия и насадки»
Схема стенда для экспериментального исследования истечения жидкости через отвер-стия и насадки представлена на рисунке (указаны только те элементы, которые необходи-мы для выполнения гидравлических расчетов).
Из бака 1, в котором поддерживается постоянный уровень, вода под избыточным давле-нием ро =250 кПа по трубопроводу 2 (длина L =12 м, диаметр d1 =38 мм, эквивалентная шероховатость Δ =0,2 мм), на котором имеется колено 3 (коэффициент местного сопро-тивления ζк = 1,2) и регулировочный вентиль 4, поступает в успокоительную емкость 5. Эта емкость представляет собой трубу диаметром D =250 мм, которая с одной стороны закрыта полусферической крышкой 6, а с другой имеет приспособление для установки сменных дисков 8 с различного вида отверстиями и насадками. В емкости 5 для гашения пульсаций установлен пакет 7 из n =200 латунных трубок (эквивалентная шероховатость Δ≈0) длиной l =0,8 м и диаметром d2 =5 мм.
Определить:
І. Силу давления на полусферическую крышку 6 при закрытом отверстии в диске 8, если ее ось расположена на высоте Н=4 м от уровня воды в баке 1.
ІІ. Построить графики зависимости Q(p) (расхода от давления р перед диском 8) для двух случаев - при истечении воды через отверстие с острой кромкой и цилиндрический насадок с одинаковыми диаметрами do=12 мм (0< p < 0,15 МПа). (Принять коэффициенты расхода: для отверстия - 0,6, а для цилиндрического насадка - 0,8; коэффициент сжатия струи в насадке - 0,62; атмосферное давление рат=100 кПа, давление насыщенных паров рнп=2 кПа .)
ІІІ. При каком значении коэффициента сопротивления ζв вентиля 4 происходит срыв работы цилиндрического насадка? (Потерей на входе в латунные трубочки пренебречь.)
При выполнении первого пункта задания проработать раздел дисциплины «Гидростати-ка» и решить задачи.
При выполнении второго пункта задания проработать разделы: «Местные сопротивле-ния» и «Истечение через отверстия и насадки» и решить задачи.
При выполнении третьего пункта задания проработать раздел «Расчет простого и слож-ного трубопровода» и решить задачи.

Характеристики курсовой работы
Учебное заведение
Просмотров
307
Размер
940,34 Kb
Список файлов
Пункт-1.jpg
Пункт-2.pdf
Пункт-3.pdf
Условие.doc
МГТУ им. Н.Э.Баумана



















