Для студентов по предмету Механика электрических машинРасчет механической передачиРасчет механической передачи
5,0053264
2025-04-142025-04-14СтудИзба
Курсовая работа: Расчет механической передачи
Описание
Рассчитать и спроектировать одноступенчатый редуктор с плоскоременной передачей, валами на подшипниках качения, для привода ленточного конвейера, по кинематической схеме (рисунок 1).
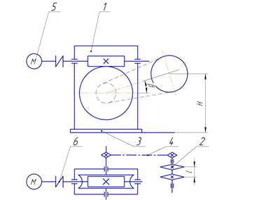
1. Редуктор червячный
2. Вал приводной (Звездочка тяговая ( шаг, zчисло зубьев)
3. Рама (плита)
4. Цепная передача
5. Электродвигатель
6. Муфта упругая
- тяговое усилие цепи,
- скорость движения цепи,
- крутящий момент на выходном валу,
- пусковой момент двигателя,
- коэффициент, учитывающий распределение времени действия нагрузки,
- продолжительность цикла.
Таблица 1.1 – Данные разработки
СОДЕРЖАНИЕ
Введение. 5
1. Кинематическая схема привода. 7
2. Выбор электродвигателя и кинематический расчет. 7
3. Расчет ременной передачи. 10
4. Расчет зубчатой передачи. 12
5. Проектный расчет валов редуктора. 18
6. Выполняем эскизную компоновку. 21
7. Расчетная схема валов редуктора. 21
8. Проверочный расчет подшипников. 26
9. Конструктивные размеры шестерни и колеса. 28
10. Конструктивные размеры корпуса редуктора. 29
11. Проверка прочности шпоночных соединений. 31
12. Уточненный расчет валов. 31
13. Выбор сорта масла. 38
14. Сборка редуктора. 38
Заключение. 40
Список использованной литературы.. 41

1. Редуктор червячный
2. Вал приводной (Звездочка тяговая ( шаг, zчисло зубьев)
3. Рама (плита)
4. Цепная передача
5. Электродвигатель
6. Муфта упругая
- тяговое усилие цепи,
- скорость движения цепи,
- крутящий момент на выходном валу,
- пусковой момент двигателя,
- коэффициент, учитывающий распределение времени действия нагрузки,
- продолжительность цикла.
Таблица 1.1 – Данные разработки

Введение. 5
1. Кинематическая схема привода. 7
2. Выбор электродвигателя и кинематический расчет. 7
3. Расчет ременной передачи. 10
4. Расчет зубчатой передачи. 12
5. Проектный расчет валов редуктора. 18
6. Выполняем эскизную компоновку. 21
7. Расчетная схема валов редуктора. 21
8. Проверочный расчет подшипников. 26
9. Конструктивные размеры шестерни и колеса. 28
10. Конструктивные размеры корпуса редуктора. 29
11. Проверка прочности шпоночных соединений. 31
12. Уточненный расчет валов. 31
13. Выбор сорта масла. 38
14. Сборка редуктора. 38
Заключение. 40
Список использованной литературы.. 41
Характеристики курсовой работы
Предмет
Просмотров
2
Качество
Идеальное компьютерное
Размер
969,5 Kb
Список файлов
memkursovoy-proektpz.doc

Если нужен другой вариант работы или отдельная задача из любой работы, пишите в комментарии