Курсовая работа: Технологическая оснастка детали
Описание
Введение………………………………………………………………..2
Задание …………………………………………………………………4
- Исходные данные………………………………………………………...4
- Анализ и выбор схемы базирования...…………………..………………6
- Расчет режимов резания ……………………………………….………..12
- Определение силы закрепления ………………………………………..13
- Анализ конструкции механизма закрепления ………………………..15
- Силовой расчет (расчет сил зажима) ……………………………...15
- Расчет диаметра винта………………………………………………15
- Расчет погрешности закрепления ……………………………………..16
- Расчет погрешности установки изделия в приспособление …………17
- Техническое описание приспособления ……………………...............18
Список литературы...………………………………………………………20
Приложение: 1.Чертеж детали
2.Чертеж крепежного приспособления
Введение
Технологическая оснастка - это устройства или механизмы, которые дополняют технологическое оборудование и служат для обеспечения безопасности труда рабочего и повышения производительности выполнения операции. Она представляет собой совокупность режущего, измерительного инструмента и приспособлений, используемых для базирования, закрепления и контроля обрабатываемых деталей на различном технологическом оборудовании: металлообрабатывающих станках, прессах, измерительных машинах и др. В зависимости от типа производства и назначения технологического оборудования различается и его оснастка. В массовом производстве приоритетным является применение специальной неразборной и без наладочной оснастки; в серийном производстве - специализированной и унифицированной оснастки, имеющей возможность многовариантного и многоразового использования её деталей и сборочных единиц; в единичном производстве - специальной неразборной и универсально-наладочной оснастки.
Оптимальная конструкция приспособления позволяет получить требуемую точность обработки заготовки при высокой производительности процесса, обеспечивая безопасности работы и снижение утомляемости рабочего.
В пояснительной записке приведены необходимые расчеты для проектирования приспособления. В ней рассмотрены следующие вопросы: выбор схемы базирования; разработка установочных элементов; расчет сил, действующих на заготовку; расчет силы закрепления; вопросы точности приспособления; общие принципы конструирования.
Без применения технологической оснастки в производстве обойтись практически невозможно. Так при выполнении абсолютно любой технологической операции требуется использовать различную оснастку, например: приспособления, вспомогательные инструменты, транспортную и загрузочную оснастку и др. Причем это относится как к единичному, так и к серийному производству. Наиболее широко используемая разновидность оснастки - станочные приспособления. Их назначение состоит в базировании и закреплении заготовок на станках.
Затраты на изготовление технологической оснастки составляют 15 - 20% от затрат на оборудование для технологического процесса обработки деталей машин или 10-24% от стоимости машины. Станочные приспособления занимают наибольший удельный вес по стоимости и трудоемкости изготовления в общем количестве различных типов технологической оснастки.
Графическая часть проекта состоит из чертежа детали и сборочного чертежа приспособления, определяющего его конструкцию. В приложении в пояснительной записке приведена спецификация к сборочному чертежу.
Задание
Разработать станочное приспособление для сверлильной операции технологического процесса механической обработки детали «Корпус».
- Исходные данные
Исходными данными для выполнения, данного курсового проекта служат:
- чертёж детали «Корпус»
- тип производства – мелкосерийное
- материал – легированная сталь 40Х ГОСТ 4543-2016
- масса 2,93 кг
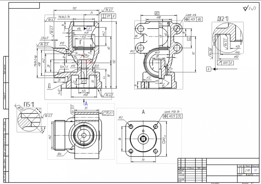
Внешний вид детали представлен на рисунке 1.1

Рисунок 1.1 Чертеж обрабатываемой детали
Обработка детали производится на горизонтальном фрезерном обрабатывающем центре MDH40P.

Рисунок 1.2 – Внешний вид горизонтального ОЦ MDH40P

На рисунке 1.3 показан технологический эскиз обработки на операции фрезерования.
Рисунок 1.3 Эскиз фрезерной операции
Заготовка на данную операцию поступает с предварительно обработанными поверхностями.
vitalievnatalia















