Для студентов МГТУ им. Н.Э.Баумана по предмету Лопаточные машиныСпроектировать турбину высокого давления судовой ГТУСпроектировать турбину высокого давления судовой ГТУ
4,90546583
2021-05-272024-09-03СтудИзба
ДЗ: Спроектировать турбину высокого давления судовой ГТУ
-66%
Описание
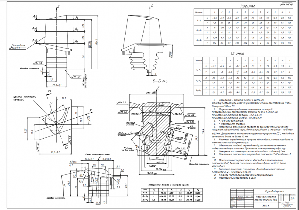
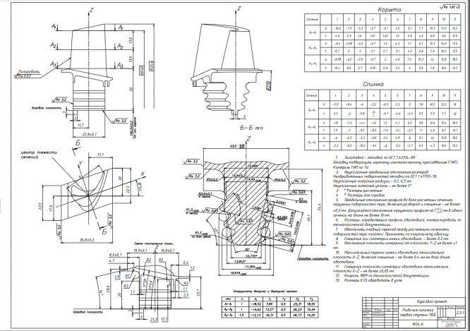
Формулировка задания: Спроектировать турбину высокого давления судовой ГТУ Исходные данные: Параметры ГТУ: 1) Число валов - 2 2) Тип компрессора - осецентробежный 3) Тип турбины - осевая 4) Температура газа перед турбиной: Tг.торм := 1400 К
![]()




Характеристики домашнего задания
Предмет
Учебное заведение
Просмотров
8
Размер
1,8 Mb
Список файлов
Спроектировать турбину высокого давления судовой ГТУ
Capture.PNG
Лопатка.pdf
Поперечный.pdf
Продольный.pdf
Профили.pdf
РПЗ.pdf

Друзья, спасибо за доверие! Если вам понравилась работа – поставьте 5⭐ и напишите отзыв. Это поможет другим студентам, а мне даст силы делать ещё больше качественных материалов для вас 🔥