Для студентов МГТУ им. Н.Э.Баумана по предмету Лопастные гидромашиныПроектирование и расчет погружного центробежного насосаПроектирование и расчет погружного центробежного насоса
4,9851129
2025-06-122025-07-12СтудИзба
Проектирование и расчет погружного центробежного насоса
Курсовая работа: Проектирование и расчет погружного центробежного насоса
Описание
Проектирование и расчет погружного центробежного насоса
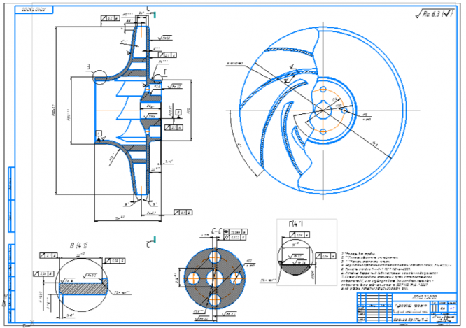
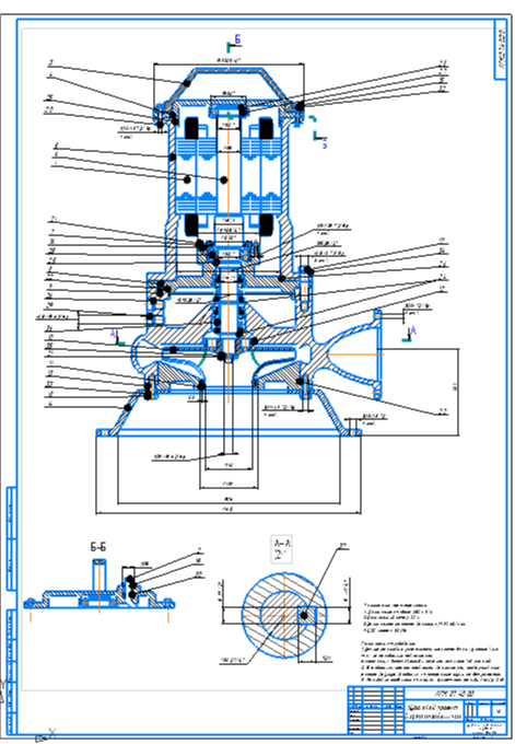
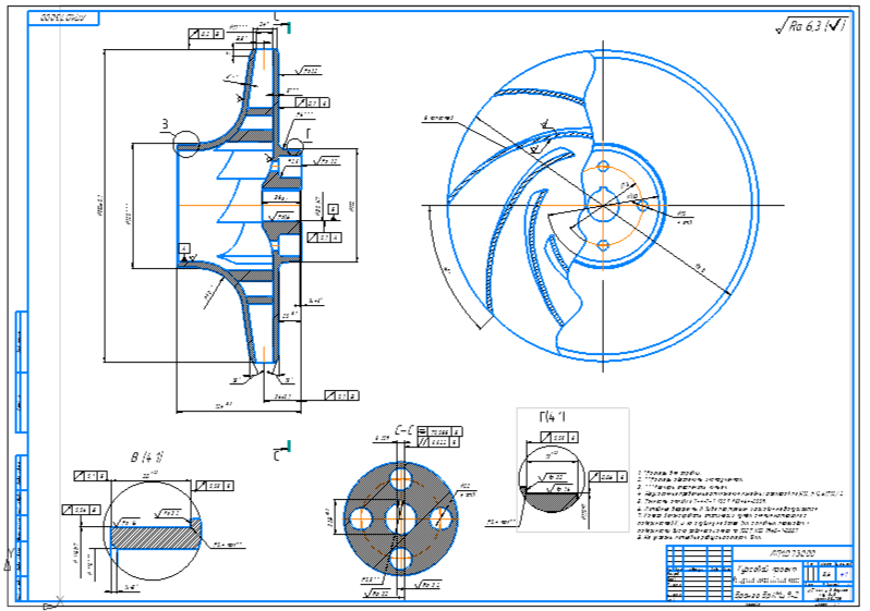
Файл содержит 5 листов, РПЗ, спецификацию и гидродинамическое моделирование в CTAR-CCM+
Исходные данные для проектирования
Показать/скрыть дополнительное описание
Файл содержит 5 листов, РПЗ, спецификацию и гидродинамическое моделирование в CTAR-CCM+
Исходные данные для проектирования
Наименование параметра | Значение |
Подача (Q), м3/ч | 150 |
Напор (H), м | 30 |
Частота вращения вала насоса (n), об/мин | 1450 |
Допускаемый кавитационный запас (Δh), м | 4 |
Перекачиваемая среда | Морская вода |
Плотность перекачиваемой жидкости (ρ), кг/ м3 | 1030 |
Температура перекачиваемой жидкости (t) °С | 20 |
Значение кинематического коэффициента вязкости (ν) м2/с | 1,15∙10-6 |





Судовой.
Характеристики курсовой работы
Предмет
Учебное заведение
Семестр
Программы
Просмотров
2
Размер
44,59 Mb
Список файлов
R7.a3d
R7.sim
Спецификация..spw
5 лист.cdw
4 лист..cdw
3 лист (1).cdw
2 лист (1).cdw
1 лист (2).cdw
рпз (3).docx

Спасибо за покупку! Я буду очень рад, если поставишь справедливую оценку купленному файлу