Для студентов МГТУ им. Н.Э.Баумана по предмету Лопастные гидромашиныКонсольный центробежный насос (Q=28, H=24, n=2900, dh=2,2)Консольный центробежный насос (Q=28, H=24, n=2900, dh=2,2)
4,9951118
2024-04-262024-04-26СтудИзба
Курсовая работа: Консольный центробежный насос (Q=28, H=24, n=2900, dh=2,2)
Описание
Состав: 5 листов чертежи, спецификация + РПЗ.
Техническая характеристика:
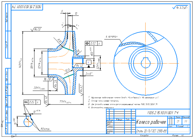
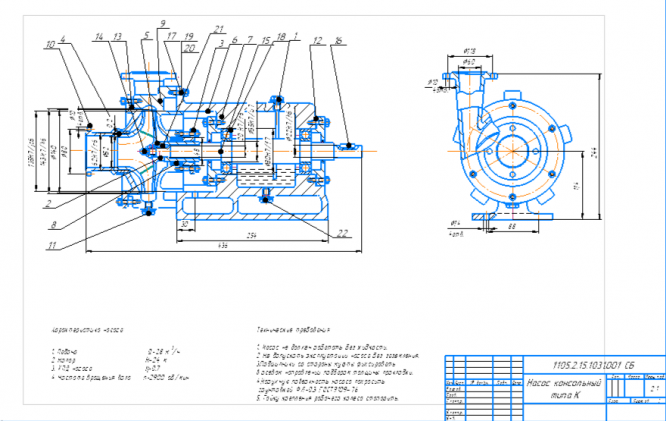
1. Подача Q=28 м3/час
2. Напор H=24 м
3. Частота вращения вала насоса n=2900 об/мин
4. Допускаемый кавитационный запас h=2,2 м
5. Подаваемая жидкость - вода 0-80 С
6.КПД - 70%
![]()
Техническая характеристика:
1. Подача Q=28 м3/час
2. Напор H=24 м
3. Частота вращения вала насоса n=2900 об/мин
4. Допускаемый кавитационный запас h=2,2 м
5. Подаваемая жидкость - вода 0-80 С
6.КПД - 70%


Характеристики курсовой работы
Предмет
Учебное заведение
Семестр
Программы
Теги
Просмотров
23
Размер
977,78 Kb
Список файлов
Меридианальное сечение.cdw
Общий вид.cdw
ПЗ.doc
Рабочее колесо.cdw
отводящее устройство Шест.cdw
профилироание лопаток.cdw
спецификация лист1.cdw
спецификация лист2.cdw

Спасибо за покупку! Я буду очень рад, если поставишь справедливую оценку купленному файлу