Для студентов ТулГУ по предмету Конструкции из дерева и пластмассКонструкции из дерева и пластмассКонструкции из дерева и пластмасс
5,0055876
2025-06-232025-06-23СтудИзба
☀️Конструкции из дерева и пластмасс | ТУлГУ сборник ответов на все тесты☀️
Ответы к заданиям Ответы на тесты: Конструкции из дерева и пластмасс
-43%
Описание
▶️ Ответы на все тесты (жми на текст) 😎 ◀️
▶️ Готовые лабораторные работы, практические задания, услуги (жми на текст)🔥◀️
Ответы к дисциплине Конструкции из дерева и пластмасс ТулГУ, помогут при сдаче экзамена/итоговой аттестации или зачёта :)
Для поиска нужного вопроса, воспользуйтесь поиском ниже
‼️ Ответы могут подойти к другим похожим дисциплинам, проверяйте по вопросам‼️ Показать/скрыть дополнительное описание
▶️ Готовые лабораторные работы, практические задания, услуги (жми на текст)🔥◀️
Ответы к дисциплине Конструкции из дерева и пластмасс ТулГУ, помогут при сдаче экзамена/итоговой аттестации или зачёта :)
Для поиска нужного вопроса, воспользуйтесь поиском ниже
‼️ Ответы могут подойти к другим похожим дисциплинам, проверяйте по вопросам‼️ Показать/скрыть дополнительное описание
Конструкции из дерева и пластмасс ТулГУ ответы на тест зачёт экзамен итоговая аттестация.
Список вопросов
Коэффициент продольного изгиба при расчете на центральное сжатие при λ >70 определяется по формуле:
Нагельные соединения ДК работают преимущественно на:
На что работает указанный элемент ДК :
![]()

На что работает указанный элемент ДК :
![]()

На что работает указанный элемент ДК :
![]()

Минимально допустимое расстояние от кромки элемента до оси цилиндрических стальных нагелей равно:
Минимально допустимое расстояние между осями цилиндрических стальных нагелей равно:
Минимально допустимое расстояние между осями цилиндрических стальных нагелей вдоль волокон равно:
Минимально допустимое расстояние между осями цилиндрических дубовых нагелей поперек волокон равно:
Минимально допустимое расстояние между осями цилиндрических дубовых нагелей вдоль волокон равно:
Максимальная глубина врезки при соединении на лобовой врубке в промежуточных узлах принимается не более:
Максимальная глубина врезки при соединении на лобовой врубке в опорных узлах принимается не более:
Наиболее значительна усушка деревянных конструкций:
Коэффициент продольного изгиба при расчете на центральное сжатие при λ ≤70 определяется по формуле:
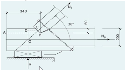
Какое (какие) из условий проектирования соединения на лобовой врубке не выполняется (не выполняются) :
![]()

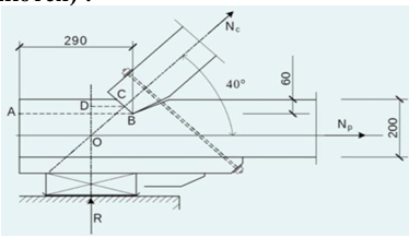
Какое (какие) из условий проектирования соединения на лобовой врубке не выполняется (не выполняются)
![]()

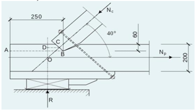
Какое (какие) из условий проектирования соединения на лобовой врубке не выполняется (не выполняются) :
![]()

Какое (какие) из условий проектирования соединения на лобовой врубке не выполняется (не выполняются)
![]()

Какое (какие) из условий проектирования соединения на лобовой врубке не выполняется (не выполняются) :
![]()

Какова расчетная схема дощато-гвоздевого прогона:
Какие пороки древесины по ГОСТ 2140-81* являются недопустимыми:
Какие материалы могут быть использованы для утепления плит покрытий на деревянном каркасе:
Какие материалы могут быть использованы для пароизоляции плит покрытий на деревянном каркасе:
Формула: q * l2 / 2
Определить максимальный изгибающий момент для консольной балки (q=8кН/м, l=3м), выраженный в кН∙м:
Определить максимальный изгибающий момент для консольной балки (q=8кН/м, l=3м), выраженный в кН∙м:
Расчетная площадь сжатого элемента при симметричных ослаблениях, не выходящих на кромки при Fнm > 0,25Fбр определяется по формуле:
Расчетная площадь сжатого элемента при симметричных ослаблениях, не выходящих на кромки при Fнm < 0,25Fбр определяется по формуле:
Расчетная площадь сжатого элемента при симметричных ослаблениях, выходящих на кромки при Fнm > 0,5Fбр определяется по формуле:
Проверка центрально-сжатого элемента на устойчивость проводится по формуле:
Проверку прочности на изгиб по касательным напряжениям для прямоугольного сечения можно проводить по формуле:
![]()

Проверка прочности центрально-растянутых элементов проводится по формуле:
![]()

Предельная гибкость сжатого пояса, опорных раскосов и стоек ферм, а также колонн принимается равной:
Формула: q * l2 / 2
Определить максимальный изгибающий момент для консольной балки (q=15кН/м, l=5м), выраженный в кН∙м:
Определить максимальный изгибающий момент для консольной балки (q=15кН/м, l=5м), выраженный в кН∙м:
Формула: q * l2 / 2
Определить максимальный изгибающий момент для консольной балки (q=12кН/м, l=6м), выраженный в кН∙м:
Определить максимальный изгибающий момент для консольной балки (q=12кН/м, l=6м), выраженный в кН∙м:
Формула: q * l2 / 2
Определить максимальный изгибающий момент для консольной балки (q=10кН/м, l=5м), выраженный в кН∙м:
Определить максимальный изгибающий момент для консольной балки (q=10кН/м, l=5м), выраженный в кН∙м:
Какие материалы могут быть использованы для обшивок плит покрытий на деревянном каркасе:
Формула: q * l2 / 8
Определить максимальный изгибающий момент для балки, шарнирно закрепленной по краям (q=15кН/м, l=5м), выраженный в кНм:
Определить максимальный изгибающий момент для балки, шарнирно закрепленной по краям (q=15кН/м, l=5м), выраженный в кНм:
Формула: q * l2 / 8
Определить максимальный изгибающий момент для балки, шарнирно закрепленной по краям (q=15кН/м, l=4м), выраженный в кН∙м:
Определить максимальный изгибающий момент для балки, шарнирно закрепленной по краям (q=15кН/м, l=4м), выраженный в кН∙м:
Формула: q * l2 / 8
Определить максимальный изгибающий момент для балки, шарнирно закрепленной по краям (q=12кН/м, l=4м), выраженный в кН∙м
Определить максимальный изгибающий момент для балки, шарнирно закрепленной по краям (q=12кН/м, l=4м), выраженный в кН∙м
Формула: q * l
Определить максимальную поперечную силу для консольной балки (q=15кН/м, l=6м), выраженную в кН:
Определить максимальную поперечную силу для консольной балки (q=15кН/м, l=6м), выраженную в кН:
Формула: q * l
Определить максимальную поперечную силу для консольной балки (q=15кН/м, l=5м), выраженную в кН
Определить максимальную поперечную силу для консольной балки (q=15кН/м, l=5м), выраженную в кН
Формула: q * l
Определить максимальную поперечную силу для консольной балки (q=8кН/м, l=3м), выраженную в кН:
Определить максимальную поперечную силу для консольной балки (q=8кН/м, l=3м), выраженную в кН:
Формула: q * l / 2
Определить максимальную поперечную силу для балки, шарнирно закрепленной по краям (q=20кН/м, l=5м), выраженную в кН:
Определить максимальную поперечную силу для балки, шарнирно закрепленной по краям (q=20кН/м, l=5м), выраженную в кН:
Формула: q * l / 2
Определить максимальную поперечную силу для балки, шарнирно закрепленной по краям (q=15кН/м, l=5м), выраженную в кН:
Определить максимальную поперечную силу для балки, шарнирно закрепленной по краям (q=15кН/м, l=5м), выраженную в кН:
Формула: q * l / 2
Определить максимальную поперечную силу для балки, шарнирно закрепленной по краям (q=12кН/м, l=4м), выраженную в кН:
Определить максимальную поперечную силу для балки, шарнирно закрепленной по краям (q=12кН/м, l=4м), выраженную в кН:
Определить максимальную поперечную силу для балки, шарнирно закрепленной по краям (q=10кН/м, l=8м), выраженную в кН: Формула: q * l / 2
Длина площадки скалывания при соединении на лобовой врубке должна быть не менее:
Древесину каких сортов качества рекомендовано использовать для ответственных растянутых элементов:
Древесину каких сортов качества рекомендовано использовать для изгибаемых элементов:
Древесину каких сортов качества рекомендовано использовать в строительстве:
Для изготовления каких элементов и конструкций рекомендуется использовать древесину хвойных пород (ель, сосна) 3 сорта:
Для изготовления каких элементов и конструкций рекомендуется использовать древесину хвойных пород (ель, сосна) 1, 2 сорта:
Для изготовления каких элементов и конструкций рекомендуется использовать древесину дуба:
Для изготовления каких элементов и конструкций рекомендуется использовать древесину березы:
Для данного соединения на лобовой врубке укажите площадку смятия :
![]()

Для данного соединения на лобовой врубке укажите площадку скалывания :
![]()

Для данного соединения на лобовой врубке укажите глубину врезки :
![]()

Для данного соединения на лобовой врубке укажите высоту сечения растянутого пояса при проверке его на растяжение
![]()

Древесину каких сортов качества рекомендовано использовать для сжатых элементов:
Длина пиломатериалов по ГОСТ 24454-80*Е принимается равной:
Деревянные конструкции рекомендуется применять для строительства:
Деревянные конструкции рекомендуется применять для строительства:
Деревянные конструкции не рекомендуется применять для строительства:
Деревянные конструкции не рекомендуется применять для строительства:
Гвоздевые соединения ДК могут работать на:
Влага, свободно находящаяся в полостях клеток и в межклеточных пространствах, называется:
Влага, которая находится в толще клеточных оболочек, называется:
Влага, входящая в химический состав веществ, которые образуют древесину, называется:
В каких целях целесообразно использовать круглые лесоматериалы:
Как называется вид конструктивной врубки, представляющий собой сплачивание досок или брусьев кромками, в одной из которых вырезаны двусторонние пазы, а в другой – один средний паз, равный примерно трети толщины, в который входит образовавшийся выступ:
Какие материалы могут быть использованы для каркаса плит покрытий на деревянном каркасе:
Какие из нижеперечисленных свойств древесины как строительного материала относятся к его недостаткам:
Какие из нижеперечисленных свойств древесины как строительного материала относятся к его достоинствам:
Какая порода древесины принята в России в качестве стандартной:
Какая (какие) из формул применяется для расчета на косой изгиб:
![]()

Какая из формул применяется для расчета на устойчивость плоской формы деформирования изгибаемых элементов прямоугольного сечения:
![]()

Какая из формул применяется для расчета на сжатие с изгибом:
Какая из формул применяется для расчета на растяжение с изгибом:
![]()

Как называется вид соединения ДК, представляющий собой соединение двух стержней под прямым углом, когда торец сжатого элемента упирается в пласть другого и закрепляется неработающими связями:
Как называется вид конструктивной врубки, представляющий собой сплачивание досок кромками по ширине с помощью односторонних пазов, в которые входят выступы соседних досок:
В каких целях нецелесообразно использовать круглые лесоматериалы:
Как называется вид конструктивной врубки, представляющий собой соединение концов брусьев или бревен с вырезками до половины их толщины, стянутое конструктивным болтом:
Как называется вид конструктивной врубки, представляющий собой продольное сращивание брусьев или бревен, в концах которых сделаны односторонние наклонные вырезки, стянутые конструктивными болтами:
Как в соответствии с сортаментом называется элемент сечением h*b=200*200:
Как в соответствии с сортаментом называется элемент сечением h*b=150*50:
Как в соответствии с сортаментом называется элемент сечением h*b=125*32:
Как в соответствии с сортаментом называется элемент сечением h*b=100*75:
Значение коэффициента μ0 для определения расчетной длины сжатого стержня при шарнирном опирании по краям равно:
Значение коэффициента μ0 для определения расчетной длины сжатого стержня при одном шарнирном крае, а другом – жестко закрепленном равно:
Значение коэффициента μ0 для определения расчетной длины сжатого стержня при одном свободном крае, а другом – жестко закрепленном равно:
Значение коэффициента μ0 для определения расчетной длины сжатого стержня при жестком опирании по краям равно:
Характеристики ответов (шпаргалок) к заданиям
Тип
Коллекция: Ответы (шпаргалки) к заданиям
Учебное заведение
Номер задания
Теги
Просмотров
5
Качество
Идеальное компьютерное
Количество вопросов

📚Помощь в сдаче любых видов работ✒️Более 6000 готовых студенческих работ и тестов для НСПК, ОСЭК, НИИДПО, НАДПО и других ВУЗов👨🏫Гарантирую результат или полностью верну деньги!✅💰