Для студентов МГТУ им. Н.Э.Баумана по предмету Конструирование узлов и элементов биотехнических системЭМП 3Д-модельЭМП 3Д-модель
5,00510
2025-08-022025-08-02СтудИзба
ДЗ: ЭМП 3Д-модель
Описание
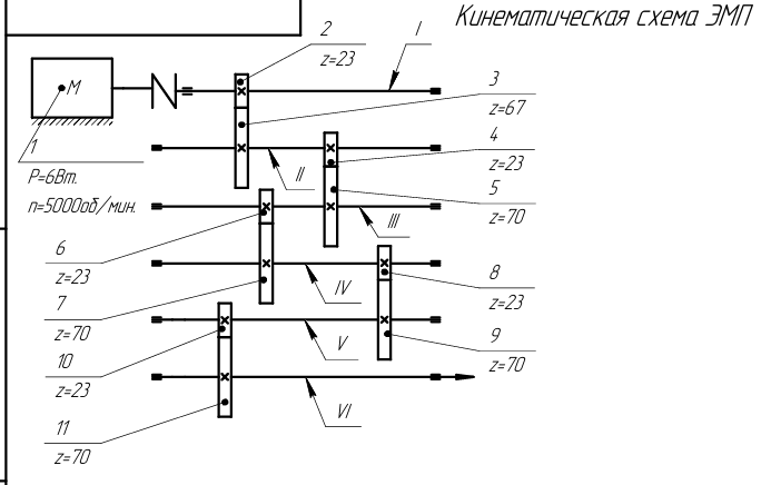
Готовая 3Д-модель со всеми необходимыми чертежами. Файлы подходят для открытия в компасе. Вторая часть домашнего задания в 5 семестре. Найти расчетную часть для этой модели можно в других материалах, опубликованных в этом профиле.
![]()


Характеристики домашнего задания
Учебное заведение
Семестр
Просмотров
10
Размер
47,54 Mb
Список файлов
Куэбс
~$Вал 1.m3~
~$Муфта.m3~
~$дшипниковая крышка 1.m3~
~$дшипниковая крышка 2.m3~
~$дшипниковая крышка 3.m3~
~$дшипниковая крышка 4.m3~
~$дшипниковая крышка 5.m3~
~$лесо 2.m3~
~$лесо 3.m3~
~$лесо 4.m3~
~$лесо 5.m3~
~$лесо 6.m3~
~$лесо 7.m3~
~$лесо 10.m3~
Вал 1.m3d
Вал 1.m3d.bak
Вал 2.m3d
Вал 2.m3d.bak
Вал 3.m3d
Вал 3.m3d.bak
Вал 4.m3d
Вал 4.m3d.bak
Вал 5.m3d
Вал 5.m3d.bak
Вал 6.m3d
Вал 6.m3d.bak
Двигатель.m3d
Двигатель.m3d.bak
Кинематическая схема.cdw
Кинематическая схема.cdw.bak