Для студентов МГТУ им. Н.Э.Баумана по предмету Конструирование приборовРазработка конструкции автомата световых эффектов на основе цифрового генератора шумаРазработка конструкции автомата световых эффектов на основе цифрового генератора шума
4,90547090
2021-04-282021-04-28СтудИзба
ДЗ: Разработка конструкции автомата световых эффектов на основе цифрового генератора шума
Описание
РПЗ +Листы
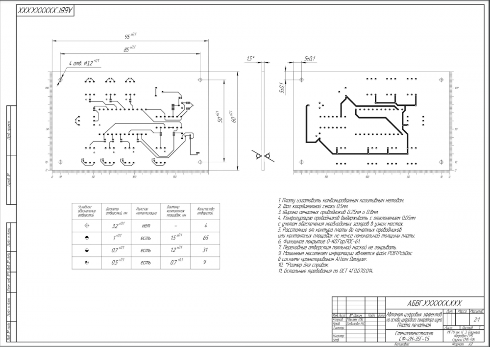
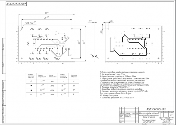
Техническое задание: Разработка конструкции автомата световых эффектов на основе цифрового генератора шума в системе проектирования Altium Designer. Разработка конструкторской документации на печатный узел в системе «Компас».Исходные данные. Исходными данными курсового проекта является схема электрическая принципиальная автомата световых эффектов на основе цифрового генератора шума с указанными на ней номиналами и марками ЭРЭ.




Файлы условия, демо
Характеристики домашнего задания
Предмет
Учебное заведение
Семестр
Просмотров
12
Размер
2,38 Mb
Список файлов
Разработка конструкции автомата световых эффектов на основе цифрового генератора шума
Capture.PNG
Лист 2.pdf
Лист 3.pdf
Принципальная схема.pdf
РПЗ.pdf
приложение 2.pdf
приложение.pdf

Друзья, спасибо за доверие! Если вам понравилась работа – поставьте 5⭐ и напишите отзыв. Это поможет другим студентам, а мне даст силы делать ещё больше качественных материалов для вас 🔥