Для студентов МГТУ им. Н.Э.Баумана по предмету Компьютерная графикаAutodesk Inventor. Лабораторные работы. Детали. (Базовый курс)Autodesk Inventor. Лабораторные работы. Детали. (Базовый курс)
4,905140
2021-09-082021-09-08СтудИзба
Лабораторная работа: Autodesk Inventor. Лабораторные работы. Детали. (Базовый курс) вариант 13
Описание
Характеристики лабораторной работы
Предмет
Учебное заведение
Вариант
Просмотров
18
Размер
2,32 Mb
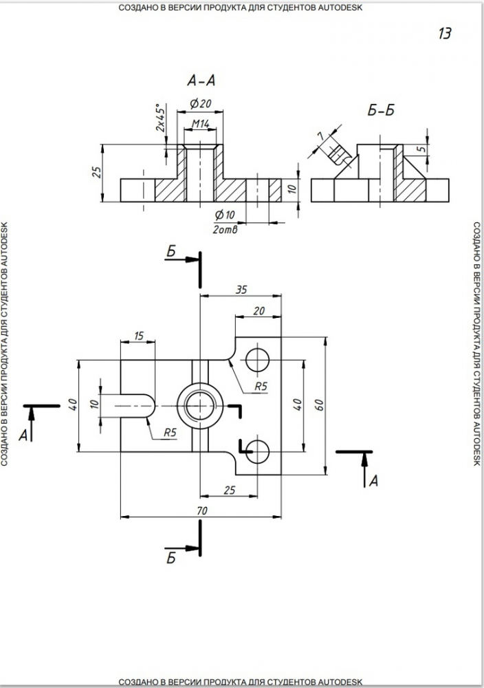
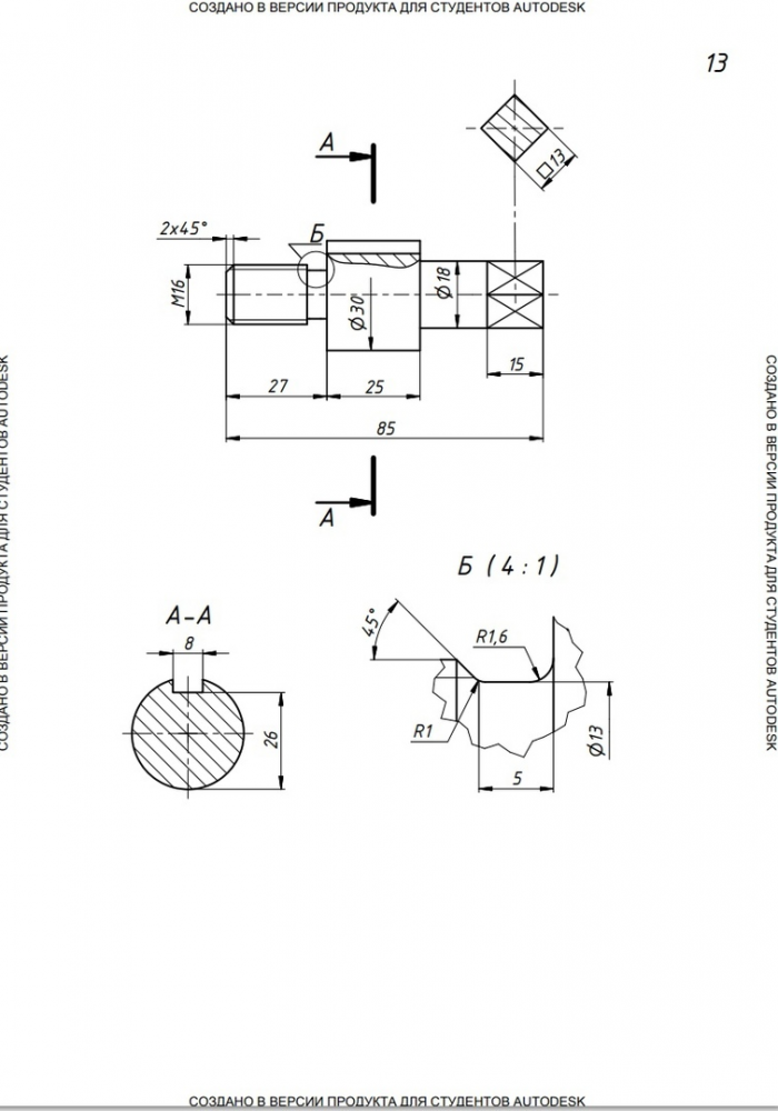
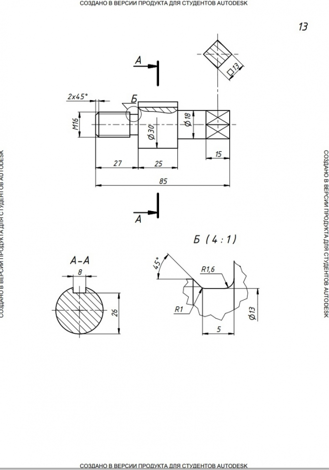
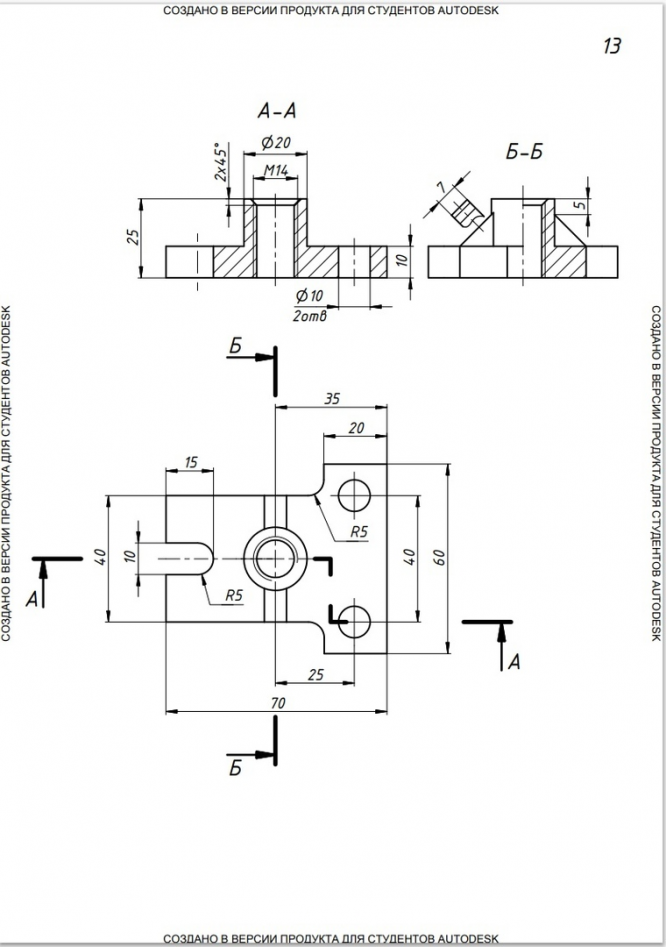
Список файлов
Вал.dwg
Вал.ipt
Основание.dwg
Основание.ipt
Пирамида.dwg
Пирамида.ipt
Призма.dwg
Призма.ipt
Сфера.dwg
Сфера.ipt
Комментарии
Нет комментариев
Стань первым, кто что-нибудь напишет!
МГТУ им. Н.Э.Баумана


















