Для студентов МГТУ им. Н.Э.Баумана по предмету Компьютерная графикаAutodesk Inventor. Лабораторные работы. Детали. (Базовый курс)Autodesk Inventor. Лабораторные работы. Детали. (Базовый курс)
5,0058
2020-04-202020-04-20СтудИзба
Лабораторная работа: Autodesk Inventor. Лабораторные работы. Детали. (Базовый курс) вариант 13
Описание
В архиве модели деталей в формате .ipt и чертежи в формате .idw. Так же если интересует покупка одной детали - пишите.
![]()
Характеристики лабораторной работы
Предмет
Учебное заведение
Вариант
Просмотров
242
Размер
2,36 Mb
Список файлов
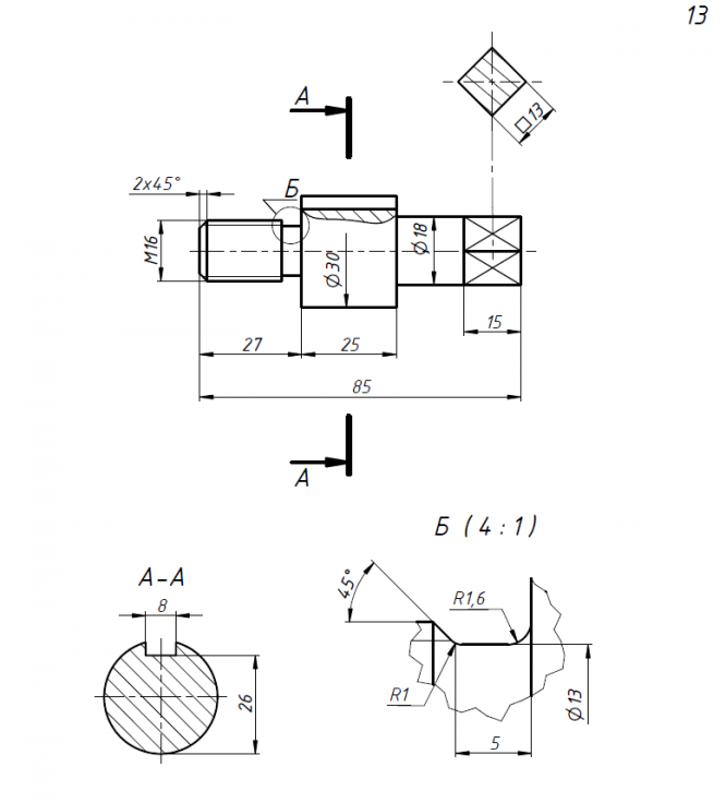
13Вал.idw
13Вал.ipt
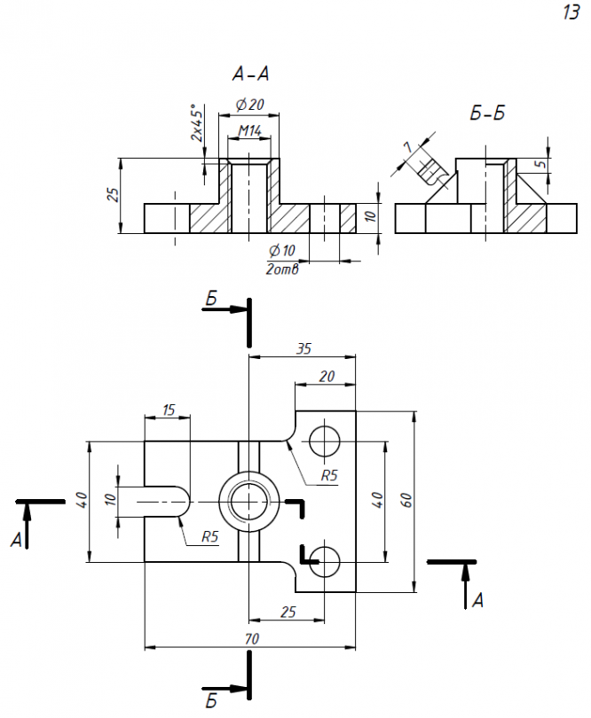
13Основание.idw
13Основание.ipt
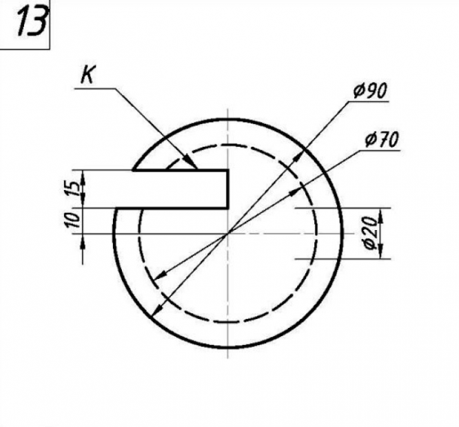
13Пирамида.idw
13Пирамида.ipt
13Призма.idw
13Призма.ipt
13Шар.idw
13Шар.ipt
МГТУ им. Н.Э.Баумана
dolgota46

















