Для студентов МГТУ им. Н.Э.Баумана по предмету Компьютерная графикаAutodesk Inventor. Лабораторные работы. Детали. (Базовый курс)Autodesk Inventor. Лабораторные работы. Детали. (Базовый курс)
5,0052
2021-01-172021-01-17СтудИзба
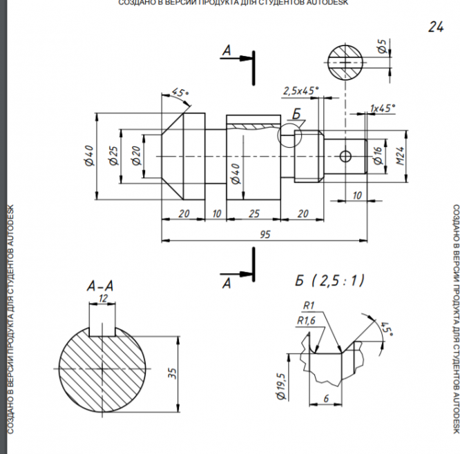
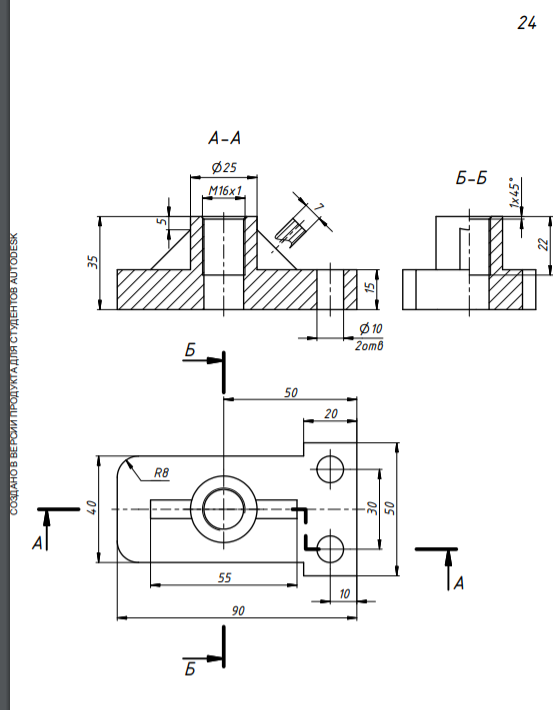
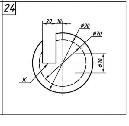
Лабораторная работа: Autodesk Inventor. Лабораторные работы. Детали. (Базовый курс) вариант 24
Описание
Характеристики лабораторной работы
Предмет
Учебное заведение
Вариант
Просмотров
60
Размер
2,71 Mb
Список файлов
1
1призма-1.idw
1призма.ipt
2
Деталь2.idw
Деталь2.ipt
3
3шар.idw
3шар.ipt
4
Деталь4.idw
Деталь4.ipt
5
OldVersions
Деталь5.0006.idw
lockfile.lck
Деталь5.idw
Деталь5.ipt
Деталь5.pdf
Задание 5.pdf
МГТУ им. Н.Э.Баумана
id626730995


















