Для студентов МГТУ им. Н.Э.Баумана по предмету Компьютерная графикаAutodesk Inventor. Лабораторные работы. Детали. (Базовый курс)Autodesk Inventor. Лабораторные работы. Детали. (Базовый курс)
5,00510
2019-01-222020-04-27СтудИзба
Лабораторная работа: Autodesk Inventor. Лабораторные работы. Детали. (Базовый курс) вариант 17
Описание
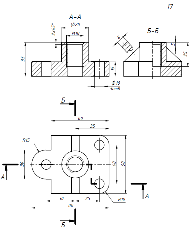
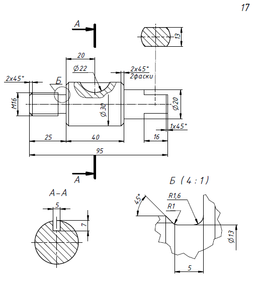
Детали выполнены в 3D, в программе Inventor
- Вал

- Основание

- Пирамида
- Призма

- Шар
Характеристики лабораторной работы
Предмет
Учебное заведение
Вариант
Просмотров
809
Качество
Идеальное компьютерное
Размер
719,86 Kb
Список файлов
Вариант (17)
Inventor (17)
lockfile.lck
Вал (17).ipt
Основание (17).ipt
Пирамида (17).ipt
Призма (17).ipt
Шар (17).ipt
Условие (17)
Вал (17).pdf
Основание (17).pdf
Пирамида (17).jpg
Призма (17).pdf
Шар (17).jpg

Вам все понравилось? Получите кэшбэк - 40 рублей на Ваш счёт при покупке. Поставьте оценку и напишите положительный комментарий к купленному файлу. После Вы получите деньги на ваш счет.