Для студентов НГТУ по предмету Электропитание устройств и систем телекоммуникаций (ЭУиСТ)Стабилизаторы в цепи переменного токаСтабилизаторы в цепи переменного тока
2022-10-052022-10-05СтудИзба
Лекции: Стабилизаторы в цепи переменного тока
Описание
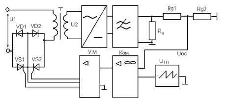
Регулирование напряжения импульсным методом в цепи переменного тока
На рисунке изображена принципиальная схема тиристорного стабилизатора напряжения в цепи переменного тока при использовании пары встречно- параллельных тиристоров в первичной цепи трансформатора.
Характеристики лекций
Тип
Учебное заведение
Семестр
Просмотров
5
Качество
Идеальное компьютерное
Размер
1,07 Mb
Список файлов

Вам все понравилось? Получите кэшбэк - 40 рублей на Ваш счёт при покупке. Поставьте оценку и напишите положительный комментарий к купленному файлу. После Вы получите деньги на ваш счет.