Для студентов НГТУ по предмету Электромагнитные поля и волны (ЭПиВ)Измерительная линияИзмерительная линия
2022-08-022022-08-02СтудИзба
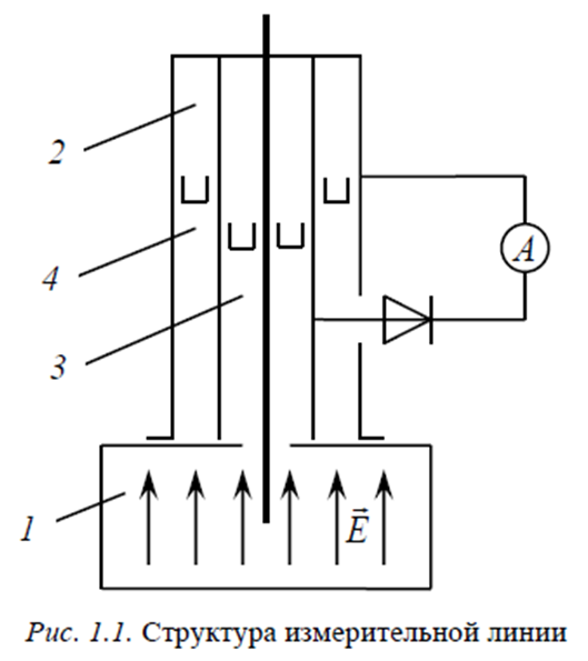
Лабораторная работа 1: Измерительная линия
Описание
Цель работы:
- Изучение устройства и принципа действия измерительной линии.
- Ознакомление с явлением отражения электромагнитных волн в линиях передачи.
- Определение коэффициента отражения нагрузки с помощью измерительных линий.

Задание:
- Ознакомиться с используемой аппаратурой и порядком работы с ней.
- Подготовить изучаемую волноводную линию к работе.
- Измерить длину волны в измерительной линии.
- Отградуировать детектор измерительной линии.
- Измерить с помощью измерительной линии картину распределения амплитуд и измерить точным и приближенным методом КСВ заданных волноводных нагрузок в диапазоне частот 11.8…13 ГГц с шагом 200 МГц.
- Измерить модуль и фазу коэффициента отражения тех же волноводных нагрузок в том же диапазоне частот.
Характеристики лабораторной работы
Учебное заведение
Семестр
Номер задания
Просмотров
7
Качество
Идеальное компьютерное
Размер
810,13 Kb
Список файлов
Маткад - 1.xmcd

Вам все понравилось? Получите кэшбэк - 40 рублей на Ваш счёт при покупке. Поставьте оценку и напишите положительный комментарий к купленному файлу. После Вы получите деньги на ваш счет.