Для студентов МГТУ им. Н.Э.Баумана по предмету Инженерная графикаЗадача 1Задача 1
5,0052
2013-08-162024-12-05СтудИзба
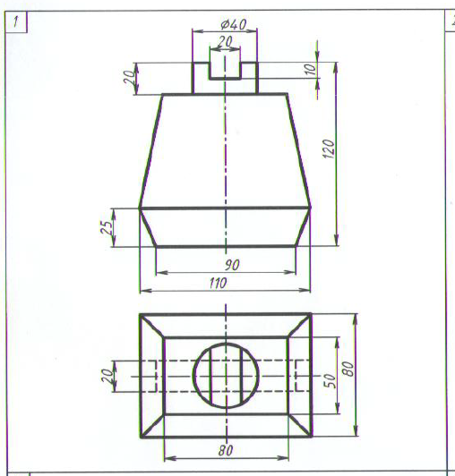
Задача 1 вариант 14
-60%
Описание

Характеристики решённой задачи
Предмет
Учебное заведение
Семестр
Номер задания
Вариант
Просмотров
1387
Качество
Фото рукописных листов
Размер
1,59 Mb
Список файлов
Вариант 14 - Задача 1.JPG

Вам все понравилось? Получите кэшбэк - 40 рублей на Ваш счёт при покупке. Поставьте оценку и напишите положительный комментарий к купленному файлу. После Вы получите деньги на ваш счет.