Задача П2: Зубчатая передача вариант 17
Описание
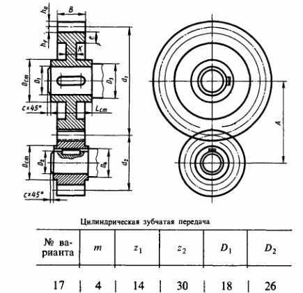
Зубчатая передача. Вариант 17 ЧЕРТЕЖ
Выполнить чертеж цилиндрической зубчатой передачи.
m=4
Z1=14
Z2=30
Dв1=18
Dв2=26
Чертеж выполнен на формате А3 + pdf (все на скриншотах показано и присутствует в архиве) выполнены в КОМПАС 3D.
Также открывать и просматривать, печатать чертежи и 3D-модели, выполненные в КОМПАСЕ можно просмоторщиком КОМПАС-3D Viewer.
Выполнить чертеж цилиндрической зубчатой передачи. m=4
Z1=14
Z2=30
Dв1=18
Dв2=26
Чертеж выполнен на формате А3 + pdf (все на скриншотах показано и присутствует в архиве) выполнены в КОМПАС 3D. Также открывать и просматривать, печатать чертежи и 3D-модели, выполненные в КОМПАСЕ можно просмоторщиком КОМПАС-3D Viewer.
Характеристики решённой задачи
Предмет
Семестр
Номер задания
Вариант
Программы
Теги
Просмотров
3
Качество
Идеальное компьютерное
Размер
50,13 Kb
Список файлов
Зубчатая передача
Цилиндрическая зубчатая передача _ Вариант 17.cdw
Цилиндрическая зубчатая передача _ Вариант 17.pdf
Комментарии
Нет комментариев
Стань первым, кто что-нибудь напишет!
coolns






















