Задача П2: Зубчатая передача вариант 15
Описание
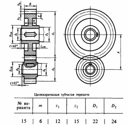
Зубчатая передача. Вариант 15 ЧЕРТЕЖ
Выполнить чертеж цилиндрической зубчатой передачи.
m=6
Z1=12
Z2=15
Dв1=22
Dв2=24
Чертеж выполнен на формате А3 + pdf (все на скриншотах показано и присутствует в архиве) выполнены в КОМПАС 3D.
Также открывать и просматривать, печатать чертежи и 3D-модели, выполненные в КОМПАСЕ можно просмоторщиком КОМПАС-3D Viewer.
Выполнить чертеж цилиндрической зубчатой передачи. m=6
Z1=12
Z2=15
Dв1=22
Dв2=24
Чертеж выполнен на формате А3 + pdf (все на скриншотах показано и присутствует в архиве) выполнены в КОМПАС 3D. Также открывать и просматривать, печатать чертежи и 3D-модели, выполненные в КОМПАСЕ можно просмоторщиком КОМПАС-3D Viewer.
Характеристики решённой задачи
Предмет
Семестр
Номер задания
Вариант
Программы
Теги
Просмотров
1
Качество
Идеальное компьютерное
Размер
49,42 Kb
Список файлов
Зубчатая передача
Цилиндрическая зубчатая передача _ Вариант 15.cdw
Цилиндрическая зубчатая передача _ Вариант 15.pdf
Комментарии
Нет комментариев
Стань первым, кто что-нибудь напишет!
coolns




















