Задача 1Б: Перечертить два вида модели вариант 3
Описание
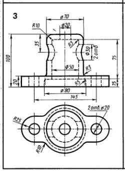
Перечертить два вида модели. Вариант 3 ЧЕРТЕЖ
Контрольная работа 1Б
Перечертить два вида модели. Построить третий вид. Выполнить необходимые разрезы. Проставить размеры.
Чертеж выполнен на формате А3 + 3d модель + pdf (все на скриншотах показано и присутствует в архиве) выполнены в КОМПАС 3D.
Также открывать и просматривать, печатать чертежи и 3D-модели, выполненные в КОМПАСЕ можно просмоторщиком КОМПАС-3D Viewer.
Контрольная работа 1Б Перечертить два вида модели. Построить третий вид. Выполнить необходимые разрезы. Проставить размеры.
Чертеж выполнен на формате А3 + 3d модель + pdf (все на скриншотах показано и присутствует в архиве) выполнены в КОМПАС 3D. Также открывать и просматривать, печатать чертежи и 3D-модели, выполненные в КОМПАСЕ можно просмоторщиком КОМПАС-3D Viewer.
Характеристики решённой задачи
Предмет
Семестр
Номер задания
Вариант
Программы
Теги
Просмотров
1
Качество
Идеальное компьютерное
Размер
157,96 Kb
Список файлов
Перечертить два вида модели
Деталь _ Вариант 3.cdw
Деталь _ Вариант 3.pdf
Деталь.m3d
Комментарии
Нет комментариев
Стань первым, кто что-нибудь напишет!
coolns






















