Задача 1А: Построить третий вид вариант 18
Описание
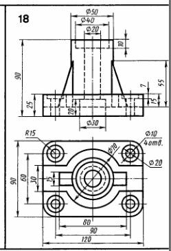
Построить третий вид. Вариант 18 ЧЕРТЕЖ
Контрольная работа 1А
Перечертить два вида модели. Построить третий вид. Выполнить необходимые разрезы. Проставить размеры.
Чертеж выполнен на формате А3 + 3d модель + pdf (все на скриншотах показано и присутствует в архиве) выполнены в КОМПАС 3D.
Также открывать и просматривать, печатать чертежи и 3D-модели, выполненные в КОМПАСЕ можно просмоторщиком КОМПАС-3D Viewer.
Контрольная работа 1А Перечертить два вида модели. Построить третий вид. Выполнить необходимые разрезы. Проставить размеры.
Чертеж выполнен на формате А3 + 3d модель + pdf (все на скриншотах показано и присутствует в архиве) выполнены в КОМПАС 3D. Также открывать и просматривать, печатать чертежи и 3D-модели, выполненные в КОМПАСЕ можно просмоторщиком КОМПАС-3D Viewer.
Характеристики решённой задачи
Предмет
Семестр
Номер задания
Вариант
Программы
Теги
Просмотров
1
Качество
Идеальное компьютерное
Размер
122,89 Kb
Список файлов
Построить третий вид
Деталь _ Вариант 18.cdw
Деталь _ Вариант 18.pdf
Деталь.m3d
Комментарии
Нет комментариев
Стань первым, кто что-нибудь напишет!
coolns



















