Задача 11: Выполнить технический рисунок вариант 18
Описание
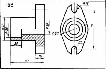
Выполнить технический рисунок. Вариант 18б
Графическая работа 11
По двум видам детали выполнить технический рисунок.
Чертеж выполнен на формате А3 + 3d модель + pdf (все на скриншотах показано и присутствует в архиве) выполнены в КОМПАС 3D.
Также открывать и просматривать, печатать чертежи и 3D-модели, выполненные в КОМПАСЕ можно просмоторщиком КОМПАС-3D Viewer.
Графическая работа 11 По двум видам детали выполнить технический рисунок.
Чертеж выполнен на формате А3 + 3d модель + pdf (все на скриншотах показано и присутствует в архиве) выполнены в КОМПАС 3D. Также открывать и просматривать, печатать чертежи и 3D-модели, выполненные в КОМПАСЕ можно просмоторщиком КОМПАС-3D Viewer.
Характеристики решённой задачи
Предмет
Семестр
Номер задания
Вариант
Программы
Просмотров
2
Качество
Идеальное компьютерное
Размер
84,19 Kb
Список файлов
ГР11_36
Деталь18б.cdw
Деталь18б.m3d
Деталь18б.pdf
Комментарии
Нет комментариев
Стань первым, кто что-нибудь напишет!
coolns






















