Задача 46: Вал вариант 18
Описание
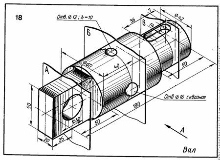
Вал Вариант 18. сечения
Упражнение 46
Начертить главный вид вала, взяв направление взгляда по стрелке А Выполнить три сечения. Сечение плоскостью А расположить на продолжении следа секущей плоскости, сечение плоскостью Б - на свободном месте чертежа, сечение плоскостью В - в проекционной связи.
Чертеж выполнен на формате А3 + 3d модель + pdf (все на скриншотах показано и присутствует в архиве) выполнены в КОМПАС 3D.
Также открывать и просматривать, печатать чертежи и 3D-модели, выполненные в КОМПАСЕ можно просмоторщиком КОМПАС-3D Viewer.
Упражнение 46
Начертить главный вид вала, взяв направление взгляда по стрелке А Выполнить три сечения. Сечение плоскостью А расположить на продолжении следа секущей плоскости, сечение плоскостью Б - на свободном месте чертежа, сечение плоскостью В - в проекционной связи.
Чертеж выполнен на формате А3 + 3d модель + pdf (все на скриншотах показано и присутствует в архиве) выполнены в КОМПАС 3D. Также открывать и просматривать, печатать чертежи и 3D-модели, выполненные в КОМПАСЕ можно просмоторщиком КОМПАС-3D Viewer.
Характеристики решённой задачи
Предмет
Семестр
Номер задания
Вариант
Программы
Теги
Просмотров
1
Качество
Идеальное компьютерное
Размер
127,52 Kb
Список файлов
Вариант 18
~$л _ Вариант 18.cd~
Вал _ Вариант 18.cdw
Вал _ Вариант 18.m3d
Вал _ Вариант 18.pdf
Комментарии
Нет комментариев
Стань первым, кто что-нибудь напишет!
coolns





















