Задача 40: По двум видам модели построить третий вид вариант 14
Описание
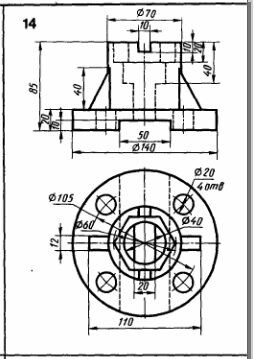
По двум видам модели построить третий. Вариант 14 ЧЕРТЕЖ
Упражнение 40
По двум видам модели построить третий. Выполнить необходимые разрезы. Поставить размеры.
Чертеж выполнен на формате А3 + 3d модель + pdf (все на скриншотах показано и присутствует в архиве) выполнены в КОМПАС 3D.
Также открывать и просматривать, печатать чертежи и 3D-модели, выполненные в КОМПАСЕ можно просмоторщиком КОМПАС-3D Viewer.
Упражнение 40 По двум видам модели построить третий. Выполнить необходимые разрезы. Поставить размеры.
Чертеж выполнен на формате А3 + 3d модель + pdf (все на скриншотах показано и присутствует в архиве) выполнены в КОМПАС 3D. Также открывать и просматривать, печатать чертежи и 3D-модели, выполненные в КОМПАСЕ можно просмоторщиком КОМПАС-3D Viewer.
Характеристики решённой задачи
Предмет
Семестр
Номер задания
Вариант
Программы
Теги
Просмотров
1
Качество
Идеальное компьютерное
Размер
111,58 Kb
Список файлов
По двум видам модели построить третий
Модель 14.m3d
Упражнение 40 вариант 14.cdw
Упражнение 40 вариант 14.pdf
Комментарии
Нет комментариев
Стань первым, кто что-нибудь напишет!
coolns























