Для студентов по предмету Инженерная графикаТискиТиски
5,00511
2026-01-272026-01-27СтудИзба
Задача 6: Тиски
Описание
Тиски 00-000.06.30.30.00 ЧЕРТЕЖ
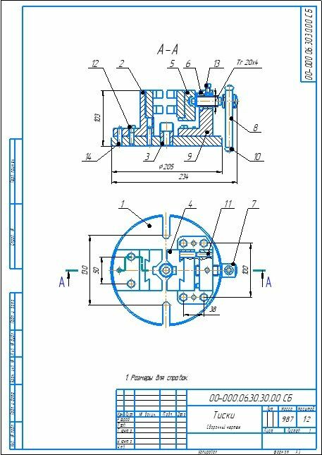
Тиски предназначены для закрепления обрабатываемой детали при нарезании резьбы, снятии фасок, зенковании отверстий и формировании торца.На основании 1 болтами 12 и штифтами 14 закреплена неподвижная губка 2 и стойка 9. В центре основания запрессовывается опора 3.
В отверстие ф28 стойки 9 вставляется резьбовая втулка 6 и стопорясь винтом 13, а в отверстие ф8 установлены два направляющих стержня 11.
Ручка 8 с расклепанных на ней торцах кольцами 10 вставляется в отверстие ф13,5 данного винта 7, завернутого во втулку 6. На цилиндрический конец винта 7 надета подвижная губка 5. В остроугольные пазы подвижная и неподвижной губок вставляются призмы 4.
Основание 1 крепится на столе станка (пазы шириной 13 мм для крепления).
Обрабатываемую деталь ставят торцом на опору 3. Вращение винта 7 перемещает подвижную губку 5 по направляющим стержням 11. Вместе с губкой 5 перемещается призма 4, которая центрует и зажимает обрабатываемую деталь.
Тиски 00-000.06.30.30.00 сборочный чертеж
Тиски 00-000.06.30.30.00 спецификация
Тиски 00-000.06.30.30.00 3д сборка
Тиски 00-000.06.30.30.00 чертежи
Основание 00-000.06.30.30.01
Губка 00-000.06.30.30.02
Опора 00-000.06.30.30.03
Призма 00-000.06.30.30.04
Губка подвижная 00-000.06.30.30.05
Втулка 00-000.06.30.30.06
Винт 00-000.06.30.30.07
Ручка 00-000.06.30.30.08
Стойка 00-000.06.30.30.09
Кольцо 00-000.06.30.30.10
Стержень 00-000.06.30.30.11
Все чертежи и 3d модели (все на скриншотах показано и присутствует в архиве) выполнены в КОМПАС 3D.Также открывать и просматривать, печатать чертежи и 3D-модели, выполненные в КОМПАСЕ можно просмоторщиком КОМПАС-3D Viewer.
Тиски предназначены для закрепления обрабатываемой детали при нарезании резьбы, снятии фасок, зенковании отверстий и формировании торца.На основании 1 болтами 12 и штифтами 14 закреплена неподвижная губка 2 и стойка 9. В центре основания запрессовывается опора 3. В отверстие ф28 стойки 9 вставляется резьбовая втулка 6 и стопорясь винтом 13, а в отверстие ф8 установлены два направляющих стержня 11.
Ручка 8 с расклепанных на ней торцах кольцами 10 вставляется в отверстие ф13,5 данного винта 7, завернутого во втулку 6. На цилиндрический конец винта 7 надета подвижная губка 5. В остроугольные пазы подвижная и неподвижной губок вставляются призмы 4.
Основание 1 крепится на столе станка (пазы шириной 13 мм для крепления).
Обрабатываемую деталь ставят торцом на опору 3. Вращение винта 7 перемещает подвижную губку 5 по направляющим стержням 11. Вместе с губкой 5 перемещается призма 4, которая центрует и зажимает обрабатываемую деталь.
Тиски 00-000.06.30.30.00 сборочный чертеж
Тиски 00-000.06.30.30.00 спецификация
Тиски 00-000.06.30.30.00 3д сборка
Тиски 00-000.06.30.30.00 чертежи
Основание 00-000.06.30.30.01
Губка 00-000.06.30.30.02
Опора 00-000.06.30.30.03
Призма 00-000.06.30.30.04
Губка подвижная 00-000.06.30.30.05
Втулка 00-000.06.30.30.06
Винт 00-000.06.30.30.07
Ручка 00-000.06.30.30.08
Стойка 00-000.06.30.30.09
Кольцо 00-000.06.30.30.10
Стержень 00-000.06.30.30.11
Все чертежи и 3d модели (все на скриншотах показано и присутствует в архиве) выполнены в КОМПАС 3D.Также открывать и просматривать, печатать чертежи и 3D-модели, выполненные в КОМПАСЕ можно просмоторщиком КОМПАС-3D Viewer.Файлы условия, демо
Характеристики решённой задачи
Предмет
Семестр
Номер задания
Программы
Теги
Просмотров
1
Качество
Идеальное компьютерное
Размер
699,57 Kb
Список файлов
00-000.06.30.30
00-000.06.30.30.00 Тиски сб.cdw
00-000.06.30.30.00 Тиски спец.cdw
00-000.06.30.30.00 Тиски.a3d
00-000.06.30.30.01 Основание.cdw
00-000.06.30.30.01 Основание.m3d
00-000.06.30.30.02 Губка.cdw
00-000.06.30.30.02 Губка.m3d
00-000.06.30.30.03 Опора.cdw
00-000.06.30.30.03 Опора.m3d
00-000.06.30.30.04 Призма.cdw
00-000.06.30.30.04 Призма.m3d
00-000.06.30.30.05 Губка подвижная.cdw
00-000.06.30.30.05 Губка подвижная.m3d
00-000.06.30.30.06 Втулка.cdw
00-000.06.30.30.06 Втулка.m3d
00-000.06.30.30.07 Винт.cdw
00-000.06.30.30.07 Винт.m3d
00-000.06.30.30.08 Ручка.cdw
00-000.06.30.30.08 Ручка.m3d
00-000.06.30.30.09 Стойка.cdw
00-000.06.30.30.09 Стойка.m3d
00-000.06.30.30.010 Кольцо.cdw
00-000.06.30.30.10 Кольцо.m3d
00-000.06.30.30.11 Стержень.cdw
00-000.06.30.30.11 Стержень.m3d
Комментарии
Нет комментариев
Стань первым, кто что-нибудь напишет!
coolns























