Для студентов по предмету Инженерная графикаРегулятор давленияРегулятор давления
5,00511
2026-01-272026-01-27СтудИзба
Задача 19: Регулятор давления
Описание
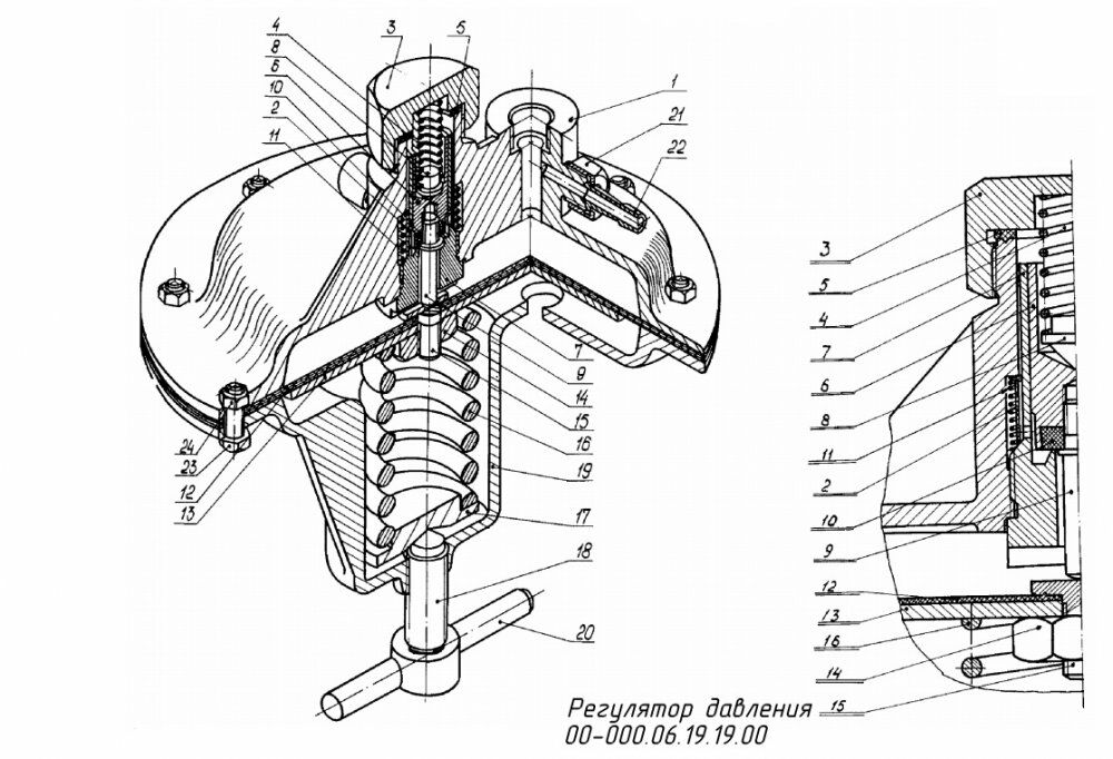
Регулятор давления 00-000.06.19.19.00 ЧЕРТЕЖ
Регулятор давления предназначен для снижения давления углекислого газа и поддерживая этого давленияУглекислый газ из баллона под высоким давлением поступает через отверстие 7 мм корпуса 1 и седло клапана 7. Проходя через сетчатый фильтр
2, газ очищается от возможных механических частиц и поступает под клапан 6.
Степень открытия к пластине 6 регулируется пружиной 16 через нажимной диск 13, мембрану 12 и толкатель 15, нажимающих на винт 9. Регулировка пружины 16 производится винтом 18 через направляющую 17.
Отрегулированный на давление газ (включающий открытие клапана 6 поступает через ниппель 22 в сеть). Давление на выходе проверяется манометром (на чертеже не показан), вворачиваемым в отверстие G1/2-А корпуса 1. Сборка регулятора производится в следующем порядке. Вначале производится сборка узла клапана. В клапан 6 запрессовывается уплотнитель 10 и вворачивается винт 9, затем вставляется в седло клапана 7. Шесть отв. ф6, расположенных на цилиндрической поверхности седла клапана 7 закрываются сеткой фильтра 2. В корпус 1 вставляется пружина 1, затем в нее
ввертывается до упора седло клапана 7. В отв. 16 клапана 6 вставляется кнопка 8 и пружина 6. Колпачок 3
навинчивается на корпус до упора. Между ними устанавливается прокладка 5.
Дальше производится сборка диафрагмы. На толкатель 15 надевается на мембраны 12 и нажимной диск 13. Собранные детали стягиваются гайкой 14. Последний этап - общая сборка. В корпус нижний 19 устанавливаются направляющий 12 и пружина 16. Вставляются болты 23. На болты 23 надевается диафрагма в сборе, корпус верхний 1 и навинчиваются гайки 24. В корпус 19 ввертывается винт 18 с запрессованным в него пальцем 20 на корпусе 1 накидной гайкой 21 закрепляется и ниппель 22.
Регулятор давления 00-000.06.19.19.00 сборочный чертеж
Регулятор давления 00-000.06.19.19.00 спецификация
Регулятор давления 00-000.06.19.19.00 3д модель
Регулятор давления 00-000.06.19.19.00 чертежи
Корпус верхний 00-000.06.19.19.01
Колпачок 00-000.06.19.19.03
Пружина 00-000.06.19.19.04
Клапан 00-000.06.19.19.06
Седло клапана 00-000.06.19.19.07
Кнопка 00-000.06.19.19.08
Винт 00-000.06.19.19.09
Пружина 00-000.06.19.19.11
Мембрана 00-000.06.19.19.12
Гайка 00-000.06.19.19.14
Толкатель 00-000.06.19.19.15
Пружина 00-000.06.19.19.16
Направляющая 00-000.06.19.19.17
Винт 00-000.06.19.19.18
Корпус нижний 00-000.06.19.19.19
Палец 00-000.06.19.19.20
Гайка накидная 00-000.06.19.19.21
Ниппель 00-000.06.19.19.22
Все чертежи и 3d модели (все на скриншотах показано и присутствует в архиве) выполнены в КОМПАС 3D.Также открывать и просматривать, печатать чертежи и 3D-модели, выполненные в КОМПАСЕ можно просмоторщиком КОМПАС-3D Viewer.
Регулятор давления предназначен для снижения давления углекислого газа и поддерживая этого давленияУглекислый газ из баллона под высоким давлением поступает через отверстие 7 мм корпуса 1 и седло клапана 7. Проходя через сетчатый фильтр 2, газ очищается от возможных механических частиц и поступает под клапан 6.
Степень открытия к пластине 6 регулируется пружиной 16 через нажимной диск 13, мембрану 12 и толкатель 15, нажимающих на винт 9. Регулировка пружины 16 производится винтом 18 через направляющую 17.
Отрегулированный на давление газ (включающий открытие клапана 6 поступает через ниппель 22 в сеть). Давление на выходе проверяется манометром (на чертеже не показан), вворачиваемым в отверстие G1/2-А корпуса 1. Сборка регулятора производится в следующем порядке. Вначале производится сборка узла клапана. В клапан 6 запрессовывается уплотнитель 10 и вворачивается винт 9, затем вставляется в седло клапана 7. Шесть отв. ф6, расположенных на цилиндрической поверхности седла клапана 7 закрываются сеткой фильтра 2. В корпус 1 вставляется пружина 1, затем в нее
ввертывается до упора седло клапана 7. В отв. 16 клапана 6 вставляется кнопка 8 и пружина 6. Колпачок 3
навинчивается на корпус до упора. Между ними устанавливается прокладка 5.
Дальше производится сборка диафрагмы. На толкатель 15 надевается на мембраны 12 и нажимной диск 13. Собранные детали стягиваются гайкой 14. Последний этап - общая сборка. В корпус нижний 19 устанавливаются направляющий 12 и пружина 16. Вставляются болты 23. На болты 23 надевается диафрагма в сборе, корпус верхний 1 и навинчиваются гайки 24. В корпус 19 ввертывается винт 18 с запрессованным в него пальцем 20 на корпусе 1 накидной гайкой 21 закрепляется и ниппель 22.
Регулятор давления 00-000.06.19.19.00 сборочный чертеж
Регулятор давления 00-000.06.19.19.00 спецификация
Регулятор давления 00-000.06.19.19.00 3д модель
Регулятор давления 00-000.06.19.19.00 чертежи
Корпус верхний 00-000.06.19.19.01
Колпачок 00-000.06.19.19.03
Пружина 00-000.06.19.19.04
Клапан 00-000.06.19.19.06
Седло клапана 00-000.06.19.19.07
Кнопка 00-000.06.19.19.08
Винт 00-000.06.19.19.09
Пружина 00-000.06.19.19.11
Мембрана 00-000.06.19.19.12
Гайка 00-000.06.19.19.14
Толкатель 00-000.06.19.19.15
Пружина 00-000.06.19.19.16
Направляющая 00-000.06.19.19.17
Винт 00-000.06.19.19.18
Корпус нижний 00-000.06.19.19.19
Палец 00-000.06.19.19.20
Гайка накидная 00-000.06.19.19.21
Ниппель 00-000.06.19.19.22
Все чертежи и 3d модели (все на скриншотах показано и присутствует в архиве) выполнены в КОМПАС 3D.Также открывать и просматривать, печатать чертежи и 3D-модели, выполненные в КОМПАСЕ можно просмоторщиком КОМПАС-3D Viewer.Файлы условия, демо
Характеристики решённой задачи
Предмет
Семестр
Номер задания
Программы
Теги
Просмотров
1
Качество
Идеальное компьютерное
Размер
1,8 Mb
Список файлов
00-000.06.19.19
00-000.06.19.19.00 Регулятор давления.a3d
00-000.06.19.19.00 Регулятор давления.a3d.bak
00-000.06.19.19.00 СБ_Регулятор давления.cdw
00-000.06.19.19.00 СП_Регулятор давления.cdw
00-000.06.19.19.01 Корпус верхний.cdw
00-000.06.19.19.01_Корпус верхний.m3d
00-000.06.19.19.03 Колпачок.cdw
00-000.06.19.19.03 Колпачок.m3d
00-000.06.19.19.04 Пружина.cdw
00-000.06.19.19.04_Пружина.m3d
00-000.06.19.19.06 Клапан.cdw
00-000.06.19.19.06_Клапан.m3d
00-000.06.19.19.07 Седло клапана.cdw
00-000.06.19.19.07_Седло клапана.m3d
00-000.06.19.19.08 Кнопка.cdw
00-000.06.19.19.08_Кнопка.m3d
00-000.06.19.19.09 Винт.cdw
00-000.06.19.19.09_Винт.m3d
00-000.06.19.19.11_Пружина.m3d
00-000.06.19.19.12 Мембрана.cdw
00-000.06.19.19.12_Мембрана.m3d
00-000.06.19.19.14 Гайка.cdw
00-000.06.19.19.14_Гайка.m3d
00-000.06.19.19.15 Толкатель.cdw
00-000.06.19.19.15_Толкатель.m3d
00-000.06.19.19.16_Пружина.m3d
00-000.06.19.19.17 Направляющая.cdw
00-000.06.19.19.17_Направляющая.m3d
00-000.06.19.19.18 Винт.cdw
00-000.06.19.19.18_Винт.m3d
Комментарии
Нет комментариев
Стань первым, кто что-нибудь напишет!
coolns





















