Для студентов по предмету Инженерная графикаКондуктор скальчатыйКондуктор скальчатый
5,00511
2026-01-272026-01-27СтудИзба
Задача 18: Кондуктор скальчатый
Описание
Кондуктор скальчатый 00-000.06.18.18.00 ЧЕРТЕЖ
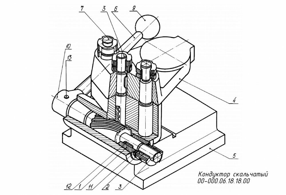
Скальчатый кондуктор с реечно-конусным механизмом применяется для обработки отверстий в деталях на сверлильных станках.Кондуктор состоит из корпуса 5, двух расположенных в нем скалок 7, несущих кондукторную плиту 4, и средней скалки-рейки 8 с косыми зубьями.
Рейка фиксируется в кондукторной плите с помощью шпонки 12. Рейка связана с зубчатым валиком 3, имеющим косые зубья, угол наклона которых 45 град. Валик 3 расположен в корпусе 5 горизонтально. На одном конце валика выполнен конус, на другом насажена коническая втулка 1 и шпонка 12. На резьбовой конец М12х1,5-6g надета шайба 11 и навинчены гайки 2 так, чтобы между втулкой 1 и шайбой 11 был обеспечен зазор 1 мм. Оба конуса притерты в конических отверстиях корпуса 5.
Поднятие и опускание кондукторной плиты производится рукояткой 6, на один конец которой навернута ручка шаровая 9, а другой ввернут в ступицу 10, насаженную на конец валика 3 и зафиксированную на нем штифтом 13. В верхнем и нижнем положении рейки стопорится в результате продольного перемещения валика 3 под воздействием горизонтальной составляющей силы тяжести, возникающей на косых зубьях. Валик смещается вправо или влево, зазор на противоположном конце выбирается и конус затягивается. Из Крайних положений рейку 8 выводят вращением рукоятки (6,9) в обратную сторону.
Данный кондуктор представляет собой заготовку, используемую для сверления любого количества отверстий в обрабатываемых деталях. Для этого в кондукторной плите 4 сверлится отверстия, количество и расположение которых определяется необходимыми отверстиями в обрабатываемой детали.
Кондуктор скальчатый 00-000.06.18.18.00 сб
Кондуктор скальчатый 00-000.06.18.18.00 спецификация
Кондуктор скальчатый 00-000.06.18.18.00 3д модель
Кондуктор скальчатый 00-000.06.18.18.00 чертежи
Втулка 00-000.06.18.18.01
Валик 00-000.06.18.18.03
Плита 00-000.06.18.18.04
Корпус 00-000.06.18.18.05
Рукоятка 00-000.06.18.18.06
Скалка 00-000.06.18.18.07
Скалка-рейка 00-000.06.18.18.08
Ручка 00-000.06.18.18.09
Ступица 00-000.06.18.18.10
Все чертежи и 3d модели (все на скриншотах показано и присутствует в архиве) выполнены в КОМПАС 3D.Также открывать и просматривать, печатать чертежи и 3D-модели, выполненные в КОМПАСЕ можно просмоторщиком КОМПАС-3D Viewer.
Скальчатый кондуктор с реечно-конусным механизмом применяется для обработки отверстий в деталях на сверлильных станках.Кондуктор состоит из корпуса 5, двух расположенных в нем скалок 7, несущих кондукторную плиту 4, и средней скалки-рейки 8 с косыми зубьями. Рейка фиксируется в кондукторной плите с помощью шпонки 12. Рейка связана с зубчатым валиком 3, имеющим косые зубья, угол наклона которых 45 град. Валик 3 расположен в корпусе 5 горизонтально. На одном конце валика выполнен конус, на другом насажена коническая втулка 1 и шпонка 12. На резьбовой конец М12х1,5-6g надета шайба 11 и навинчены гайки 2 так, чтобы между втулкой 1 и шайбой 11 был обеспечен зазор 1 мм. Оба конуса притерты в конических отверстиях корпуса 5.
Поднятие и опускание кондукторной плиты производится рукояткой 6, на один конец которой навернута ручка шаровая 9, а другой ввернут в ступицу 10, насаженную на конец валика 3 и зафиксированную на нем штифтом 13. В верхнем и нижнем положении рейки стопорится в результате продольного перемещения валика 3 под воздействием горизонтальной составляющей силы тяжести, возникающей на косых зубьях. Валик смещается вправо или влево, зазор на противоположном конце выбирается и конус затягивается. Из Крайних положений рейку 8 выводят вращением рукоятки (6,9) в обратную сторону.
Данный кондуктор представляет собой заготовку, используемую для сверления любого количества отверстий в обрабатываемых деталях. Для этого в кондукторной плите 4 сверлится отверстия, количество и расположение которых определяется необходимыми отверстиями в обрабатываемой детали.
Кондуктор скальчатый 00-000.06.18.18.00 сб
Кондуктор скальчатый 00-000.06.18.18.00 спецификация
Кондуктор скальчатый 00-000.06.18.18.00 3д модель
Кондуктор скальчатый 00-000.06.18.18.00 чертежи
Втулка 00-000.06.18.18.01
Валик 00-000.06.18.18.03
Плита 00-000.06.18.18.04
Корпус 00-000.06.18.18.05
Рукоятка 00-000.06.18.18.06
Скалка 00-000.06.18.18.07
Скалка-рейка 00-000.06.18.18.08
Ручка 00-000.06.18.18.09
Ступица 00-000.06.18.18.10
Все чертежи и 3d модели (все на скриншотах показано и присутствует в архиве) выполнены в КОМПАС 3D.Также открывать и просматривать, печатать чертежи и 3D-модели, выполненные в КОМПАСЕ можно просмоторщиком КОМПАС-3D Viewer.Файлы условия, демо
Характеристики решённой задачи
Предмет
Семестр
Номер задания
Программы
Теги
Просмотров
1
Качество
Идеальное компьютерное
Размер
983,77 Kb
Список файлов
00-000.06.18.18
00-000.06.18.18.00 СБ_Кондуктор скальчатый.a3d
00-000.06.18.18.00 СБ_Кондуктор скальчатый.cdw
00-000.06.18.18.00 СП_Кондуктор скальчатый.cdw
00-000.06.18.18.01 Втулка.cdw
00-000.06.18.18.01_Втулка.m3d
00-000.06.18.18.03 Валик.cdw
00-000.06.18.18.03_Валик.m3d
00-000.06.18.18.04 Плита.cdw
00-000.06.18.18.04_Плита.m3d
00-000.06.18.18.05 Корпус.cdw
00-000.06.18.18.05_Корпус.m3d
00-000.06.18.18.06 Рукоятка.cdw
00-000.06.18.18.06_Рукоятка.m3d
00-000.06.18.18.07 Скалка.cdw
00-000.06.18.18.07_Скалка.m3d
00-000.06.18.18.08 Скалка-рейка.cdw
00-000.06.18.18.08_Скалка-рейка.m3d
00-000.06.18.18.09 Ручка.cdw
00-000.06.18.18.09_Ручка.m3d
00-000.06.18.18.10 Ступица.cdw
00-000.06.18.18.10_Ступица.m3d
Комментарии
Нет комментариев
Стань первым, кто что-нибудь напишет!
coolns





















