Задача 14: Приспособление
Описание
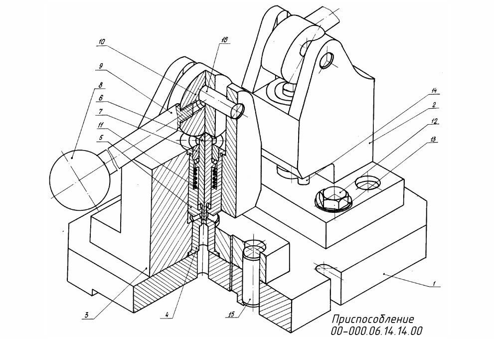
Приспособление 00-000.06.14.14.00 ЧЕРТЕЖ
Приспособление служит для последовательного пробивания двух отверстий ф3,2 мм в стальной пластинке толщиной 1,5 мм.Приспособление состоит из плиты 1 и двух кронштейнов 2,3, каждый из которых крепится к плите 1 с помощью двух диагонально расположенных болтов 12, и фиксируется с помощью двух штифтов 15. В кронштейне 3 имеется выступ, который служит упором для заготовки. В отверстия ф24 кронштейнов 2 и 3 установлены стаканы 5 и втулки 7, которые являются направляющими для пуасонов 6. Заготовка устанавливается на матрицы 4 до выступа на кронштейне 3. Поперечными условиями для заготовки являются штифты 14, которые установлены на кронштейнах 2 и 3. Движение пуасонов 6 обеспечивается последовательным вращением эксцентриком 10 вокруг оси (штифта) 16 с помощью рукоятки (8,9). Возвращение пуасона в исходное положение осуществляется за счет силы сжатия пружины 11 и обратного движения эксцентрика 10. Все фаски для внутренней метрической резьбы выполнены по ГОСТ10549-80 и на чертеже деталей не указаны.
Приспособление 00-000.06.14.14.00 сб
Приспособление 00-000.06.14.14.00 спецификация
Приспособление 00-000.06.14.14.00 3д модель
Приспособление 00-000.06.14.14.00 чертежи
Плита 00-000.06.14.14.01
Кронштейн правый 00-000.06.14.14.02
Кронштейн левый 00-000.06.14.14.03
Матрица 00-000.06.14.14.04
Стакан 00-000.06.14.14.05
Пуансон 00-000.06.14.14.06
Втулка 00-000.06.14.14.07
Ручка 00-000.06.14.14.08
Рукоятка 00-000.06.14.14.09
Эксцентрик 00-000.06.14.14.10
Пружина 00-000.06.14.14.11
Все чертежи и 3d модели (все на скриншотах показано и присутствует в архиве) выполнены в КОМПАС 3D.Также открывать и просматривать, печатать чертежи и 3D-модели, выполненные в КОМПАСЕ можно просмоторщиком КОМПАС-3D Viewer.
Приспособление служит для последовательного пробивания двух отверстий ф3,2 мм в стальной пластинке толщиной 1,5 мм.Приспособление состоит из плиты 1 и двух кронштейнов 2,3, каждый из которых крепится к плите 1 с помощью двух диагонально расположенных болтов 12, и фиксируется с помощью двух штифтов 15. В кронштейне 3 имеется выступ, который служит упором для заготовки. В отверстия ф24 кронштейнов 2 и 3 установлены стаканы 5 и втулки 7, которые являются направляющими для пуасонов 6. Заготовка устанавливается на матрицы 4 до выступа на кронштейне 3. Поперечными условиями для заготовки являются штифты 14, которые установлены на кронштейнах 2 и 3. Движение пуасонов 6 обеспечивается последовательным вращением эксцентриком 10 вокруг оси (штифта) 16 с помощью рукоятки (8,9). Возвращение пуасона в исходное положение осуществляется за счет силы сжатия пружины 11 и обратного движения эксцентрика 10. Все фаски для внутренней метрической резьбы выполнены по ГОСТ10549-80 и на чертеже деталей не указаны. Приспособление 00-000.06.14.14.00 сб
Приспособление 00-000.06.14.14.00 спецификация
Приспособление 00-000.06.14.14.00 3д модель
Приспособление 00-000.06.14.14.00 чертежи
Плита 00-000.06.14.14.01
Кронштейн правый 00-000.06.14.14.02
Кронштейн левый 00-000.06.14.14.03
Матрица 00-000.06.14.14.04
Стакан 00-000.06.14.14.05
Пуансон 00-000.06.14.14.06
Втулка 00-000.06.14.14.07
Ручка 00-000.06.14.14.08
Рукоятка 00-000.06.14.14.09
Эксцентрик 00-000.06.14.14.10
Пружина 00-000.06.14.14.11
Все чертежи и 3d модели (все на скриншотах показано и присутствует в архиве) выполнены в КОМПАС 3D.Также открывать и просматривать, печатать чертежи и 3D-модели, выполненные в КОМПАСЕ можно просмоторщиком КОМПАС-3D Viewer.Файлы условия, демо
Характеристики решённой задачи
Предмет
Семестр
Номер задания
Программы
Теги
Просмотров
1
Качество
Идеальное компьютерное
Размер
877,22 Kb
Список файлов
00-000.06.14.14
00-000.06.14.14.00 СБ_Приспособление.a3d
00-000.06.14.14.00 СБ_Приспособление.cdw
00-000.06.14.14.00 СП_Приспособление.cdw
00-000.06.14.14.01 Плита.cdw
00-000.06.14.14.01_Плита.m3d
00-000.06.14.14.02 Кронштейн правый.cdw
00-000.06.14.14.02_Кронштейн правый.m3d
00-000.06.14.14.03 Кронштейн левый.cdw
00-000.06.14.14.03_Кронштейн левый.m3d
00-000.06.14.14.04 Матрица.cdw
00-000.06.14.14.04_Матрица.m3d
00-000.06.14.14.05 Стакан.cdw
00-000.06.14.14.05_Стакан.m3d
00-000.06.14.14.06 Втулка.cdw
00-000.06.14.14.06 Пуансон.cdw
00-000.06.14.14.06_Пуансон.m3d
00-000.06.14.14.07_Втулка.m3d
00-000.06.14.14.08 Ручка.cdw
00-000.06.14.14.08_Ручка.m3d
00-000.06.14.14.09 Рукоятка.cdw
00-000.06.14.14.09_Рукоятка.m3d
00-000.06.14.14.10 Эксцентрик.cdw
00-000.06.14.14.10_Эксцентрик.m3d
00-000.06.14.14.11 Пружина.cdw
00-000.06.14.14.11_Пружина.m3d
Комментарии
Нет комментариев
Стань первым, кто что-нибудь напишет!
coolns






















