Задача 11: Механизм натяжения
Описание
Механизм натяжения 00-000.06.11.11.00 ЧЕРТЕЖ
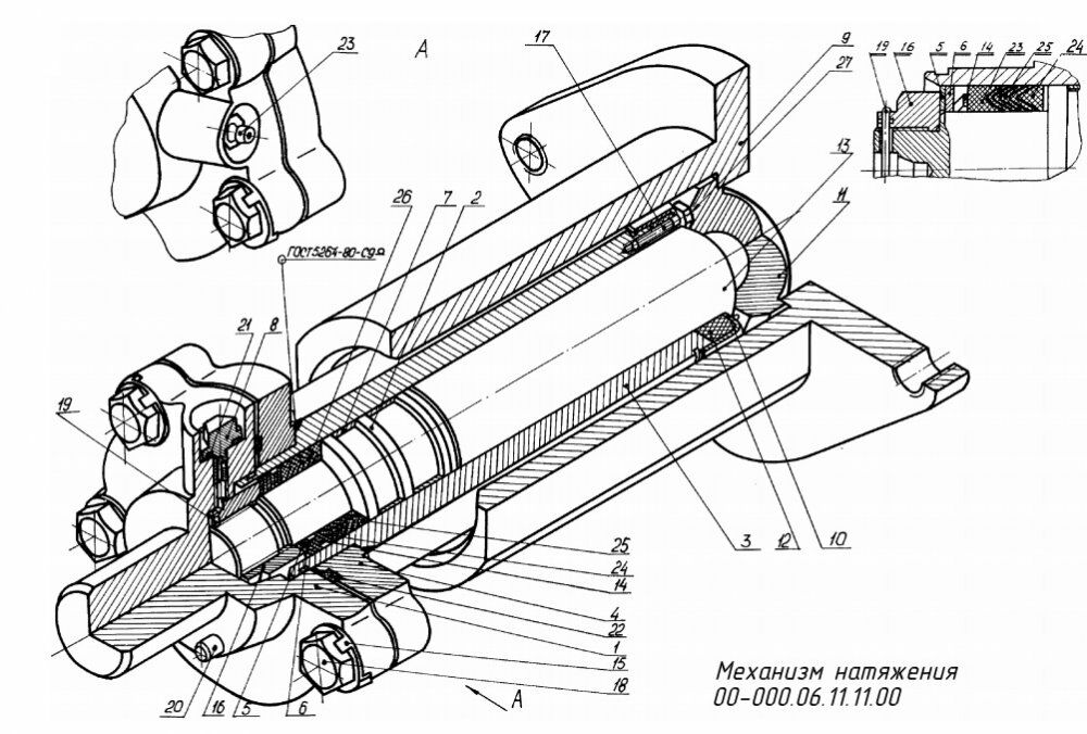
Механизм натяжения предназначен для натяжения гусиницы трактора. Натяжение осуществляется путем перемещения цилиндра 3 относительно штока 13 и поршня 2 влево за счет создаваемого давления в поршневой полости механизма. Масло нагнетается под давлением в поршневую полость через масленку 23. Вместе с цилиндром влево перемещается фланец 4 и фланец 1. На вал фланца 1 крепится опора натяжного колеса (на чертеже не показано).Фланец 9 закреплен неподвижно. Максимальное увеличение расстояния между фланцем 9 и фланцем 1 от 90 до 100 мм. За счет этого перемещения происходит натяжение гусеницы.
Собирается механизм в следующем порядке: цилиндр 3 запрессовывается во фланец 4 меньшим своим наружным диаметром ф85 и приваривается. Во фланец 4 с торца вставляется кольцо 22. К этому же торцу присоединяется фланец 1 и все скрепляется болтами 18 со стопорными шайбами 15. Во фланец 1 ввертывается масленка 23 и пробка 8 с уплотнительным кольцом 21. На поршень 2 насаживается два кольца 7, манжеты 26, кольца 14,24,25 прокладка 5 и шайба 6. Все эти детали поджимаются гайкой 16 которая навертывается на резьбовой конец поршня М36х1,5-6g и стопорится шплинтом 19.
Поршень в сборе вставляется в цилиндр так, что первый вводится гайка 16 и проталкивается поршневая группа до упора резьбового конца поршня в торец фланца 1. В цилиндр 3 вставляется шток 13. Шаровая поверхность штока должна выходить из цилиндра. На шток насаживается сальник 12, поджимается крышкой 10 и крепится к торцу цилиндра шестью болтами 17, головки которых скрепляются проволокой 27 для предотвращения самоотвинчивания. На шаровую поверхность штока 13 надевается упор 11. Цилиндр в сборе вставляется вофланец 9 так, чтобы торец упора 11 коснулся внутреннего торца фланца 9.
Механизм натяжения 00-000.06.11.11.00 сборочный чертеж
Механизм натяжения 00-000.06.11.11.00 спецификация
Механизм натяжения 00-000.06.11.11.00 3д модель
Механизм натяжения 00-000.06.11.11.00 чертежи
Фланец 00-000.06.11.11.01
Поршень 00-000.06.11.11.02
Цилиндр 00-000.06.11.11.03
Фланец 00-000.06.11.11.04
Прокладка 00-000.06.11.11.05
Шайба 00-000.06.11.11.06
Кольцо 00-000.06.11.11.07
Пробка 00-000.06.11.11.08
Фланец 00-000.06.11.11.09
Крышка сальника 00-000.06.11.11.10
Упор 00-000.06.11.11.11
Сальник 00-000.06.11.11.12
Шток 00-000.06.11.11.13
Кольцо пружинное 00-000.06.11.11.14
Шайба стопорная 00-000.06.11.11.15
Гайка 00-000.06.11.11.16
Все чертежи и 3d модели (все на скриншотах показано и присутствует в архиве) выполнены в КОМПАС 3D.Также открывать и просматривать, печатать чертежи и 3D-модели, выполненные в КОМПАСЕ можно просмоторщиком КОМПАС-3D Viewer.
Механизм натяжения предназначен для натяжения гусиницы трактора. Натяжение осуществляется путем перемещения цилиндра 3 относительно штока 13 и поршня 2 влево за счет создаваемого давления в поршневой полости механизма. Масло нагнетается под давлением в поршневую полость через масленку 23. Вместе с цилиндром влево перемещается фланец 4 и фланец 1. На вал фланца 1 крепится опора натяжного колеса (на чертеже не показано).Фланец 9 закреплен неподвижно. Максимальное увеличение расстояния между фланцем 9 и фланцем 1 от 90 до 100 мм. За счет этого перемещения происходит натяжение гусеницы. Собирается механизм в следующем порядке: цилиндр 3 запрессовывается во фланец 4 меньшим своим наружным диаметром ф85 и приваривается. Во фланец 4 с торца вставляется кольцо 22. К этому же торцу присоединяется фланец 1 и все скрепляется болтами 18 со стопорными шайбами 15. Во фланец 1 ввертывается масленка 23 и пробка 8 с уплотнительным кольцом 21. На поршень 2 насаживается два кольца 7, манжеты 26, кольца 14,24,25 прокладка 5 и шайба 6. Все эти детали поджимаются гайкой 16 которая навертывается на резьбовой конец поршня М36х1,5-6g и стопорится шплинтом 19.
Поршень в сборе вставляется в цилиндр так, что первый вводится гайка 16 и проталкивается поршневая группа до упора резьбового конца поршня в торец фланца 1. В цилиндр 3 вставляется шток 13. Шаровая поверхность штока должна выходить из цилиндра. На шток насаживается сальник 12, поджимается крышкой 10 и крепится к торцу цилиндра шестью болтами 17, головки которых скрепляются проволокой 27 для предотвращения самоотвинчивания. На шаровую поверхность штока 13 надевается упор 11. Цилиндр в сборе вставляется вофланец 9 так, чтобы торец упора 11 коснулся внутреннего торца фланца 9.
Механизм натяжения 00-000.06.11.11.00 сборочный чертеж
Механизм натяжения 00-000.06.11.11.00 спецификация
Механизм натяжения 00-000.06.11.11.00 3д модель
Механизм натяжения 00-000.06.11.11.00 чертежи
Фланец 00-000.06.11.11.01
Поршень 00-000.06.11.11.02
Цилиндр 00-000.06.11.11.03
Фланец 00-000.06.11.11.04
Прокладка 00-000.06.11.11.05
Шайба 00-000.06.11.11.06
Кольцо 00-000.06.11.11.07
Пробка 00-000.06.11.11.08
Фланец 00-000.06.11.11.09
Крышка сальника 00-000.06.11.11.10
Упор 00-000.06.11.11.11
Сальник 00-000.06.11.11.12
Шток 00-000.06.11.11.13
Кольцо пружинное 00-000.06.11.11.14
Шайба стопорная 00-000.06.11.11.15
Гайка 00-000.06.11.11.16
Все чертежи и 3d модели (все на скриншотах показано и присутствует в архиве) выполнены в КОМПАС 3D.Также открывать и просматривать, печатать чертежи и 3D-модели, выполненные в КОМПАСЕ можно просмоторщиком КОМПАС-3D Viewer.Файлы условия, демо
Характеристики решённой задачи
Предмет
Семестр
Номер задания
Программы
Теги
Просмотров
1
Качество
Идеальное компьютерное
Размер
1,57 Mb
Список файлов
00-000.06.11.11
00-000.06.11.11.00 СБ_Механизм натяжения.a3d
00-000.06.11.11.00 СБ_Механизм натяжения.cdw
00-000.06.11.11.00 СП_Механизм натяжения.cdw
00-000.06.11.11.01 Фланец.cdw
00-000.06.11.11.01_Фланец.m3d
00-000.06.11.11.02 Поршень.cdw
00-000.06.11.11.02_Поршень.m3d
00-000.06.11.11.03 Цилиндр.cdw
00-000.06.11.11.03_Цилиндр.m3d
00-000.06.11.11.04 Фланец.cdw
00-000.06.11.11.04_Фланец.m3d
00-000.06.11.11.05 Прокладка.cdw
00-000.06.11.11.05_Прокладка.m3d
00-000.06.11.11.06 Шайба.cdw
00-000.06.11.11.06_Шайба.m3d
00-000.06.11.11.07 Кольцо.cdw
00-000.06.11.11.07_Кольцо.m3d
00-000.06.11.11.08 Пробка.cdw
00-000.06.11.11.08_Пробка.m3d
00-000.06.11.11.09 Фланец.cdw
00-000.06.11.11.09_Фланец.m3d
00-000.06.11.11.10 Крышка сальника.cdw
00-000.06.11.11.10_Крышка сальника.m3d
00-000.06.11.11.11 Упор.cdw
00-000.06.11.11.11_Упор.m3d
00-000.06.11.11.12 Сальник.cdw
00-000.06.11.11.12_Сальник.m3d
00-000.06.11.11.13 Шток.cdw
00-000.06.11.11.13_Шток.m3d
00-000.06.11.11.14 Кольцо пружинное.cdw
Комментарии
Нет комментариев
Стань первым, кто что-нибудь напишет!
coolns






















