Для студентов по предмету Инженерная графикаНасосНасос
5,0058
2026-01-252026-01-25СтудИзба
Задача 9: Насос
Новинка
Описание
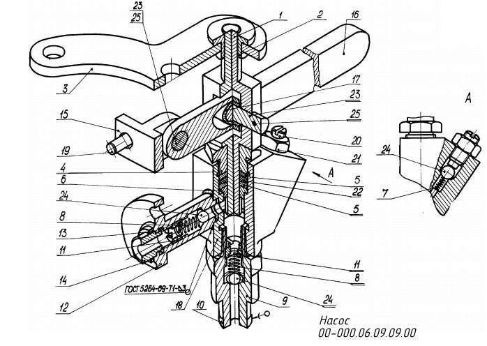
Насос 00-000.06.09.09.00 ЧЕРТЕЖ
Насос предназначен для создания рабочего давления в гидросистеме.В планку 3 запрессовывается втулка 2, которая служит направляющей для плунжера 1. В паз плунжера вставляется рукоятка 16 и закрепляется с помощью оси 23, втулки 17 и шплинта 25. В отверстие ф11 рукоятки 16 кронштейна 15 вставляется ось 23 со шплинтом 25. На плунжер 1 надевают втулку 4 и два кольца 5, между которыми помещают войлочное кольцо 22, и вставляют во втулку 6, запрессованную в корпус 18. Герметичность плунжера в корпусе обеспечивается сжатием кольца 22 при помощи втулки 4. На другой конец плунжера надевают втулку 2 в сборе с планкой 3. Насос имеет три клапана: всасывающий, нагнетательный и для выпуска воздуха системы. Всасывающий клапан в сборе вворачивается в отверстие Rc1/2 корпуса насоса 18. Нагнетательный клапан в сборе вставляют в отверстие ф16H12 корпуса насоса, после чего производят сварку кольцевым швом. Для подсоединения насоса к гидросистеме корпус нагнетательного клапана 12 имеет фланец с тремя отверстиями ф9. Герметизация соединения осуществляется при помощи направляющего штыря 14 и свинцовой прокладки 13 . Клапан для выпуска воздуха из системы состоит из шарика 24, пружины 7, винта 20 с гайкой 21. Насос крепится к резервуару с жидкостью при помощи планки 3 и кронштейна 15 болтами М12 и М16. При движении рукоятки 16 вверх, последняя тянет за собой плунжер 1, в результате под плунжером создается разрежение, открывается всасывающий клапан и полость под плунжером заполняется жидкостью. После заполнения рукоятка 16 идет вниз и под плунжером создается давление. Всасывающий клапан закрывается, а нагнетательный открывается и происходит наполнение гидросистемы.
Все фаски для внутренней метрической резьбы выполнены по ГОСТ 10549-80 и на чертежах деталей не указаны.
Насос 00-000.06.09.09.00 сб
Насос 00-000.06.09.09.00 спецификация
Насос 00-000.06.09.09.00 3д модель
Насос 00-000.06.09.09.00 чертежи
Плунжер 00-000.06.09.09.01
Втулка 00-000.06.09.09.02
Планка 00-000.06.09.09.03
Втулка 00-000.06.09.09.04
Кольцо 00-000.06.09.09.05
Втулка 00-000.06.09.09.06
Пружина 00-000.06.09.09.07
Пружина 00-000.06.09.09.08
Корпус всасывающего клапана 00-000.06.09.09.09
Фильтр 00-000.06.09.09.10
Пробка 00-000.06.09.09.11
Корпус нагнетательного клапана 00-000.06.09.09.12
Прокладка 00-000.06.09.09.13
Штырь 00-000.06.09.09.14
Кронштейн 00-000.06.09.09.15
Рукоятка 00-000.06.09.09.16
Втулка 00-000.06.09.09.17
Корпус 00-000.06.09.09.18
Все чертежи и 3d модели (все на скриншотах показано и присутствует в архиве) выполнены в КОМПАС 3D.Также открывать и просматривать, печатать чертежи и 3D-модели, выполненные в КОМПАСЕ можно просмоторщиком КОМПАС-3D Viewer.
Насос предназначен для создания рабочего давления в гидросистеме.В планку 3 запрессовывается втулка 2, которая служит направляющей для плунжера 1. В паз плунжера вставляется рукоятка 16 и закрепляется с помощью оси 23, втулки 17 и шплинта 25. В отверстие ф11 рукоятки 16 кронштейна 15 вставляется ось 23 со шплинтом 25. На плунжер 1 надевают втулку 4 и два кольца 5, между которыми помещают войлочное кольцо 22, и вставляют во втулку 6, запрессованную в корпус 18. Герметичность плунжера в корпусе обеспечивается сжатием кольца 22 при помощи втулки 4. На другой конец плунжера надевают втулку 2 в сборе с планкой 3. Насос имеет три клапана: всасывающий, нагнетательный и для выпуска воздуха системы. Всасывающий клапан в сборе вворачивается в отверстие Rc1/2 корпуса насоса 18. Нагнетательный клапан в сборе вставляют в отверстие ф16H12 корпуса насоса, после чего производят сварку кольцевым швом. Для подсоединения насоса к гидросистеме корпус нагнетательного клапана 12 имеет фланец с тремя отверстиями ф9. Герметизация соединения осуществляется при помощи направляющего штыря 14 и свинцовой прокладки 13 . Клапан для выпуска воздуха из системы состоит из шарика 24, пружины 7, винта 20 с гайкой 21. Насос крепится к резервуару с жидкостью при помощи планки 3 и кронштейна 15 болтами М12 и М16. При движении рукоятки 16 вверх, последняя тянет за собой плунжер 1, в результате под плунжером создается разрежение, открывается всасывающий клапан и полость под плунжером заполняется жидкостью. После заполнения рукоятка 16 идет вниз и под плунжером создается давление. Всасывающий клапан закрывается, а нагнетательный открывается и происходит наполнение гидросистемы. Все фаски для внутренней метрической резьбы выполнены по ГОСТ 10549-80 и на чертежах деталей не указаны.
Насос 00-000.06.09.09.00 сб
Насос 00-000.06.09.09.00 спецификация
Насос 00-000.06.09.09.00 3д модель
Насос 00-000.06.09.09.00 чертежи
Плунжер 00-000.06.09.09.01
Втулка 00-000.06.09.09.02
Планка 00-000.06.09.09.03
Втулка 00-000.06.09.09.04
Кольцо 00-000.06.09.09.05
Втулка 00-000.06.09.09.06
Пружина 00-000.06.09.09.07
Пружина 00-000.06.09.09.08
Корпус всасывающего клапана 00-000.06.09.09.09
Фильтр 00-000.06.09.09.10
Пробка 00-000.06.09.09.11
Корпус нагнетательного клапана 00-000.06.09.09.12
Прокладка 00-000.06.09.09.13
Штырь 00-000.06.09.09.14
Кронштейн 00-000.06.09.09.15
Рукоятка 00-000.06.09.09.16
Втулка 00-000.06.09.09.17
Корпус 00-000.06.09.09.18
Все чертежи и 3d модели (все на скриншотах показано и присутствует в архиве) выполнены в КОМПАС 3D.Также открывать и просматривать, печатать чертежи и 3D-модели, выполненные в КОМПАСЕ можно просмоторщиком КОМПАС-3D Viewer.Файлы условия, демо
Характеристики решённой задачи
Предмет
Семестр
Номер задания
Программы
Теги
Просмотров
1
Качество
Идеальное компьютерное
Размер
1,28 Mb
Список файлов
00-000.06.09.09
00-000.06.09.09.00 СБ_Насос.a3d
00-000.06.09.09.00 СБ_Насос.cdw
00-000.06.09.09.00 СП_Насос.cdw
00-000.06.09.09.01 Плунжер.cdw
00-000.06.09.09.01_Плунжер.m3d
00-000.06.09.09.02 Втулка.cdw
00-000.06.09.09.02_Втулка.m3d
00-000.06.09.09.03 Планка.cdw
00-000.06.09.09.03_Планка.m3d
00-000.06.09.09.04 Втулка.cdw
00-000.06.09.09.04_Втулка.m3d
00-000.06.09.09.05 Кольцо.cdw
00-000.06.09.09.05_Кольцо.m3d
00-000.06.09.09.06 Втулка.cdw
00-000.06.09.09.06_Втулка.m3d
00-000.06.09.09.07 Пружина.cdw
00-000.06.09.09.07_Пружина.m3d
00-000.06.09.09.08 Пружина.cdw
00-000.06.09.09.08_Пружина.m3d
00-000.06.09.09.08_Пружина.m3d.bak
00-000.06.09.09.09 Корпус всасывающего клапана.cdw
00-000.06.09.09.09_Корпус всасывающего клапана.m3d
00-000.06.09.09.10 Фильтр.cdw
00-000.06.09.09.10_Фильтр.m3d
00-000.06.09.09.11 Пробка.cdw
00-000.06.09.09.11_Пробка.m3d
00-000.06.09.09.12 Корпус нагнетательного клапана.cdw
00-000.06.09.09.12_Корпус нагнетательного клапана.m3d
00-000.06.09.09.13 Прокладка.cdw
00-000.06.09.09.13_Прокладка.m3d
Комментарии
Нет комментариев
Стань первым, кто что-нибудь напишет!
coolns























