Для студентов по предмету Инженерная графикаПатрон специальныйПатрон специальный
5,00511
2026-01-232026-01-23СтудИзба
Задача 7: Патрон специальный
Описание
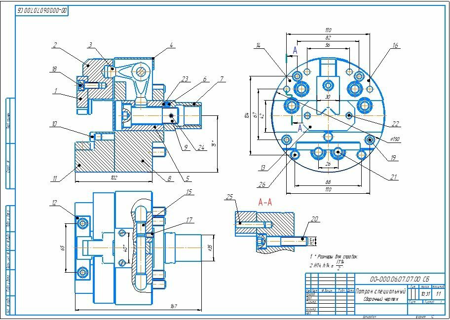
Патрон специальный 00-000.06.07.07.00 ЧЕРТЕЖ
Патрон предназначен для установки тройника при механической обработке на токарном станке.Втулки 5 и 7, скрепленные винтом 9 и штифтом 24, вставляют в отверстие ф40Н8 корпуса 8. Для фиксации взаимного положения этих втулок предварительно в гнезда ф5 устанавливают пружину 6 и шарик 23. Рычаг 3, который может вращаться на штифте 15, вставляют в паз 16Н12 корпуса 8. Штифт 15 фиксируется от поворота винтом 17. Одним концом рычаг 3 вставляется в отверстие ф16Н12 втулки 5, на другой конец рычага 3 надевается ползун 2. К ползуну 2 винтом 18 крепится призма 1. Ползун 2 может перемещаться вертикально в пазах направляющих 14 и 16, которые, как и опора крепится к корпусу 8 винтами 19 и21 фиксируется штифтами 25 и 26. Пластина 12 крепится к опоре 11 винтами 18.
В опору 11 запрессовыыается опора 10, служащая упором при установке обрабатываемой детали. Крышки 4 и 12 винтами 22 крепится к корпусу 8.
Патрон с помощью втулки 7 присоединяется к тяге пневмоцилиндра и крепится к шпинделю станка винтами 20 и 21.
При поступательном перемещении тяги пневмоцилиндра и втулок 5 и 7 рычаг 3, поворачиваясь на штифте 15, обеспечивает вертикальное перемещение ползуна 2 с призмой 1, которая поджимает или освобождает деталь.
Деталь подлежащая обработке, устанавливается на пластину 12 до упора в опору 10 и поджимается призмой 1.
Все фаски для внутренней резьбы согласно ГОСТ 10549-80 и на чертежах не указаны.
Патрон специальный 00-000.06.07.07.00 сб
Патрон специальный 00-000.06.07.07.00 спецификация
Патрон специальный 00-000.06.07.07.00 3д модель
Патрон специальный 00-000.06.07.07.00 чертежи
Призма 00-000.06.07.07.01
Ползун 00-000.06.07.07.02
Рычаг 00-000.06.07.07.03
Крышка 00-000.06.07.07.04
Втулка 00-000.06.07.07.05
Пружина 00-000.06.07.07.06
Втулка 00-000.06.07.07.07
Корпус 00-000.06.07.07.08
Винт 00-000.06.07.07.09
Опора 00-000.06.07.07.10
Опора 00-000.06.07.07.11
Пластина 00-000.06.07.07.12
Крышка 00-000.06.07.07.13
Направляющая 00-000.06.07.07.14
Штифт 00-000.06.07.07.15
Направляющая 00-000.06.07.07.16
Все чертежи и 3d модели (все на скриншотах показано и присутствует в архиве) выполнены в КОМПАС 3D.Также открывать и просматривать, печатать чертежи и 3D-модели, выполненные в КОМПАСЕ можно просмоторщиком КОМПАС-3D Viewer.
Патрон предназначен для установки тройника при механической обработке на токарном станке.Втулки 5 и 7, скрепленные винтом 9 и штифтом 24, вставляют в отверстие ф40Н8 корпуса 8. Для фиксации взаимного положения этих втулок предварительно в гнезда ф5 устанавливают пружину 6 и шарик 23. Рычаг 3, который может вращаться на штифте 15, вставляют в паз 16Н12 корпуса 8. Штифт 15 фиксируется от поворота винтом 17. Одним концом рычаг 3 вставляется в отверстие ф16Н12 втулки 5, на другой конец рычага 3 надевается ползун 2. К ползуну 2 винтом 18 крепится призма 1. Ползун 2 может перемещаться вертикально в пазах направляющих 14 и 16, которые, как и опора крепится к корпусу 8 винтами 19 и21 фиксируется штифтами 25 и 26. Пластина 12 крепится к опоре 11 винтами 18. В опору 11 запрессовыыается опора 10, служащая упором при установке обрабатываемой детали. Крышки 4 и 12 винтами 22 крепится к корпусу 8.
Патрон с помощью втулки 7 присоединяется к тяге пневмоцилиндра и крепится к шпинделю станка винтами 20 и 21.
При поступательном перемещении тяги пневмоцилиндра и втулок 5 и 7 рычаг 3, поворачиваясь на штифте 15, обеспечивает вертикальное перемещение ползуна 2 с призмой 1, которая поджимает или освобождает деталь.
Деталь подлежащая обработке, устанавливается на пластину 12 до упора в опору 10 и поджимается призмой 1.
Все фаски для внутренней резьбы согласно ГОСТ 10549-80 и на чертежах не указаны.
Патрон специальный 00-000.06.07.07.00 сб
Патрон специальный 00-000.06.07.07.00 спецификация
Патрон специальный 00-000.06.07.07.00 3д модель
Патрон специальный 00-000.06.07.07.00 чертежи
Призма 00-000.06.07.07.01
Ползун 00-000.06.07.07.02
Рычаг 00-000.06.07.07.03
Крышка 00-000.06.07.07.04
Втулка 00-000.06.07.07.05
Пружина 00-000.06.07.07.06
Втулка 00-000.06.07.07.07
Корпус 00-000.06.07.07.08
Винт 00-000.06.07.07.09
Опора 00-000.06.07.07.10
Опора 00-000.06.07.07.11
Пластина 00-000.06.07.07.12
Крышка 00-000.06.07.07.13
Направляющая 00-000.06.07.07.14
Штифт 00-000.06.07.07.15
Направляющая 00-000.06.07.07.16
Все чертежи и 3d модели (все на скриншотах показано и присутствует в архиве) выполнены в КОМПАС 3D.Также открывать и просматривать, печатать чертежи и 3D-модели, выполненные в КОМПАСЕ можно просмоторщиком КОМПАС-3D Viewer.Файлы условия, демо
Характеристики решённой задачи
Предмет
Семестр
Номер задания
Программы
Теги
Просмотров
3
Качество
Идеальное компьютерное
Размер
1,41 Mb
Список файлов
00-000.06.07.07
00-000.06.07.07.00 Патрон специальный.cdw
00-000.06.07.07.00 СБ_Патрон специальный.a3d
00-000.06.07.07.00 СП_Патрон специальный.cdw
00-000.06.07.07.01 Призма.cdw
00-000.06.07.07.01_Призма.m3d
00-000.06.07.07.02 Ползун.cdw
00-000.06.07.07.02_Ползун.m3d
00-000.06.07.07.03 Рычаг.cdw
00-000.06.07.07.03_Рычаг.m3d
00-000.06.07.07.04 Крышка.cdw
00-000.06.07.07.04_Крышка.m3d
00-000.06.07.07.05 Втулка.cdw
00-000.06.07.07.05_Втулка.m3d
00-000.06.07.07.06 Пружина.cdw
00-000.06.07.07.06_Пружина.m3d
00-000.06.07.07.07 Втулка.cdw
00-000.06.07.07.07_Втулка.m3d
00-000.06.07.07.08 Корпус.cdw
00-000.06.07.07.08_Корпус.m3d
00-000.06.07.07.09 Винт.cdw
00-000.06.07.07.09_Винт.m3d
00-000.06.07.07.10 Опора.cdw
00-000.06.07.07.10_Опора.m3d
00-000.06.07.07.11 Опора.cdw
00-000.06.07.07.11_Опора.m3d
00-000.06.07.07.12 Пластина.cdw
00-000.06.07.07.12_Пластина.m3d
00-000.06.07.07.13 Крышка.cdw
00-000.06.07.07.13_Крышка.m3d
00-000.06.07.07.14 Направляющая.cdw
Комментарии
Нет комментариев
Стань первым, кто что-нибудь напишет!
coolns























