Для студентов по предмету Инженерная графикаКондуктор скальчатыйКондуктор скальчатый
5,00511
2026-01-222026-01-22СтудИзба
Задача 3: Кондуктор скальчатый
Описание
Кондуктор скальчатый 00-000.06.03.03.00 ЧЕРТЕЖ
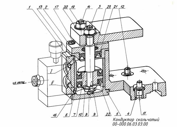
Кондуктор скальчатый предназначен для сверления отверстий в деталях на вертикальных и горизонтальных сверлильных стенках.На шток 9 надевается поршень 10 с предварительно установленными в него манжетами 22 и кольцами 7. Поршень крепится на штоке гайкой 19 и стопорной шайбой 8, которая своим выступом входит в паз штока, а отогнутый край ее предотвращает отвинчивание гайки 19. В корпус 1 вставляется гильза 6 вместе со штоком 9 и поршнем 10. Гильза 6 закрывается прокладками 16 и крышками 2, 5, 13, прикрепленными к корпусу 1 винтами 17. В крышку 13 вставляется манжета 21, а в крышку 2 - сальник 23, в отверстия ф20 корпуса 1 перемещаются скалки 14 и 15. Винты (не показаны) с контргайками (не показаны), входящие в пазы скалок, ограничивают их ход. Сверху на скалки 14 и 15 и шток 9 надевается кондукторная плита 3, которая крепится гайками 19 и шайбами 20. В отверстия 16 корпуса 1 вставляются втулки 4, пальцы 11 и 12. Они предназначены для установки базовой поверхности, служащей опорой для обрабатываемой детали.
Кондуктор скальчатый 00-000.06.03.03.00 сб
Кондуктор скальчатый 00-000.06.03.03.00 спецификация
Кондуктор скальчатый 00-000.06.03.03.00 3d сборка
Кондуктор скальчатый 00-000.06.03.03.00 чертежи
Корпус 00-000.06.03.03.01
Крышка 00-000.06.03.03.02
Плита 00-000.06.03.03.03
Втулка 00-000.06.03.03.04
Крышка 00-000.06.03.03.05
Гильза 00-000.06.03.03.06
Кольцо 00-000.06.03.03.07
Шайба 00-000.06.03.03.08
Шток 00-000.06.03.03.09
Поршень 00-000.06.03.03.10
Палец 00-000.06.03.03.11
Палец 00-000.06.03.03.12
Крышка 00-000.06.03.03.13
Скалка 00-000.06.03.03.14
Скалка 00-000.06.03.03.15
Все чертежи и 3d модели (все на скриншотах показано и присутствует в архиве) выполнены в КОМПАС 3D.
Также открывать и просматривать, печатать чертежи и 3D-модели, выполненные в КОМПАСЕ можно просмоторщиком КОМПАС-3D Viewer.
Кондуктор скальчатый предназначен для сверления отверстий в деталях на вертикальных и горизонтальных сверлильных стенках.На шток 9 надевается поршень 10 с предварительно установленными в него манжетами 22 и кольцами 7. Поршень крепится на штоке гайкой 19 и стопорной шайбой 8, которая своим выступом входит в паз штока, а отогнутый край ее предотвращает отвинчивание гайки 19. В корпус 1 вставляется гильза 6 вместе со штоком 9 и поршнем 10. Гильза 6 закрывается прокладками 16 и крышками 2, 5, 13, прикрепленными к корпусу 1 винтами 17. В крышку 13 вставляется манжета 21, а в крышку 2 - сальник 23, в отверстия ф20 корпуса 1 перемещаются скалки 14 и 15. Винты (не показаны) с контргайками (не показаны), входящие в пазы скалок, ограничивают их ход. Сверху на скалки 14 и 15 и шток 9 надевается кондукторная плита 3, которая крепится гайками 19 и шайбами 20. В отверстия 16 корпуса 1 вставляются втулки 4, пальцы 11 и 12. Они предназначены для установки базовой поверхности, служащей опорой для обрабатываемой детали. Кондуктор скальчатый 00-000.06.03.03.00 сб
Кондуктор скальчатый 00-000.06.03.03.00 спецификация
Кондуктор скальчатый 00-000.06.03.03.00 3d сборка
Кондуктор скальчатый 00-000.06.03.03.00 чертежи
Корпус 00-000.06.03.03.01
Крышка 00-000.06.03.03.02
Плита 00-000.06.03.03.03
Втулка 00-000.06.03.03.04
Крышка 00-000.06.03.03.05
Гильза 00-000.06.03.03.06
Кольцо 00-000.06.03.03.07
Шайба 00-000.06.03.03.08
Шток 00-000.06.03.03.09
Поршень 00-000.06.03.03.10
Палец 00-000.06.03.03.11
Палец 00-000.06.03.03.12
Крышка 00-000.06.03.03.13
Скалка 00-000.06.03.03.14
Скалка 00-000.06.03.03.15
Все чертежи и 3d модели (все на скриншотах показано и присутствует в архиве) выполнены в КОМПАС 3D. Также открывать и просматривать, печатать чертежи и 3D-модели, выполненные в КОМПАСЕ можно просмоторщиком КОМПАС-3D Viewer.
Файлы условия, демо
Характеристики решённой задачи
Предмет
Семестр
Номер задания
Программы
Теги
Просмотров
2
Качество
Идеальное компьютерное
Размер
1,12 Mb
Список файлов
00-000.06.03.03
00-000.06.03.03.00 СБ_Кондуктор скальчатый.a3d
00-000.06.03.03.00 СБ_Кондуктор скальчатый.cdw
00-000.06.03.03.00 СП_Кондуктор скальчатый.cdw
00-000.06.03.03.01 Корпус.cdw
00-000.06.03.03.01_Корпус.m3d
00-000.06.03.03.02 Крышка.cdw
00-000.06.03.03.02_Крышка.m3d
00-000.06.03.03.03 Плита.cdw
00-000.06.03.03.03_Плита.m3d
00-000.06.03.03.04 Втулка.cdw
00-000.06.03.03.04_Втулка.m3d
00-000.06.03.03.05 Крышка.cdw
00-000.06.03.03.05_Крышка.m3d
00-000.06.03.03.06 Гильза.cdw
00-000.06.03.03.06_Гильза.m3d
00-000.06.03.03.07 Кольцо.cdw
00-000.06.03.03.07_Кольцо.m3d
00-000.06.03.03.08 Шайба.cdw
00-000.06.03.03.08_Шайба.m3d
00-000.06.03.03.09 Шток.cdw
00-000.06.03.03.09_Шток.m3d
00-000.06.03.03.10 Поршень.cdw
00-000.06.03.03.10_Поршень.m3d
00-000.06.03.03.11 Палец.cdw
00-000.06.03.03.11_Палец.m3d
00-000.06.03.03.12 Палец.cdw
00-000.06.03.03.12_Палец.m3d
00-000.06.03.03.13 Крышка.cdw
00-000.06.03.03.13_Крышка.m3d
00-000.06.03.03.14 Скалка.cdw
Комментарии
Нет комментариев
Стань первым, кто что-нибудь напишет!
coolns




















