Для студентов по предмету Инженерная графикаВентиль запорныйВентиль запорный
5,0051
2025-12-292026-01-05СтудИзба
Задача МЧ: Вентиль запорный вариант 30
Описание
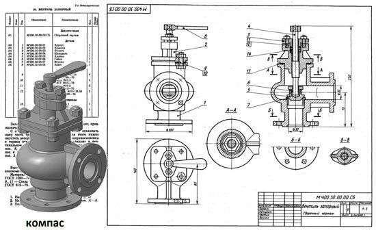
Вентиль запорный МЧ00.30.00.00 ЧЕРТЕЖ
Запорный вентиль монтируют на трубопроводах, предназначенных для подачи жидкости.С помощью вентиля можно периодически отключать одну часть трубопровода от другой, для этого нужно опустить запорный клапан поз. 5 вниз до соприкосновения с торцом втулки поз. 7. Перемещение клапана в вертикальном направлении производят вращением ключа поз. 8, насаженного на квадратный конец шпинделя поз. 4. Уплотнение поз. 14, прижимаемое сверху фланцем поз. 3, плотно прилегает к шпинделю.
Вентиль запорный МЧ00.30.00.00 сборочный чертеж
Вентиль запорный МЧ00.30.00.00 спецификация
Вентиль запорный МЧ00.30.00.00 3д модель
Вентиль запорный МЧ00.30.00.00 чертежи
Корпус МЧ00.30.00.01
Крышка МЧ00.30.00.02
Фланец МЧ00.30.00.03
Шпиндель МЧ00.30.00.04
Клапан МЧ00.30.00.05
Гайка МЧ00.30.00.06
Втулка МЧ00.30.00.07
Ключ МЧ00.30.00.08
Все чертежи и 3d модели (все на скриншотах показано и присутствует в архиве) выполнены в КОМПАС 3D.Также открывать и просматривать, печатать чертежи и 3D-модели, выполненные в КОМПАСЕ можно просмоторщиком КОМПАС-3D Viewer.
Запорный вентиль монтируют на трубопроводах, предназначенных для подачи жидкости.С помощью вентиля можно периодически отключать одну часть трубопровода от другой, для этого нужно опустить запорный клапан поз. 5 вниз до соприкосновения с торцом втулки поз. 7. Перемещение клапана в вертикальном направлении производят вращением ключа поз. 8, насаженного на квадратный конец шпинделя поз. 4. Уплотнение поз. 14, прижимаемое сверху фланцем поз. 3, плотно прилегает к шпинделю. Вентиль запорный МЧ00.30.00.00 сборочный чертеж
Вентиль запорный МЧ00.30.00.00 спецификация
Вентиль запорный МЧ00.30.00.00 3д модель
Вентиль запорный МЧ00.30.00.00 чертежи
Корпус МЧ00.30.00.01
Крышка МЧ00.30.00.02
Фланец МЧ00.30.00.03
Шпиндель МЧ00.30.00.04
Клапан МЧ00.30.00.05
Гайка МЧ00.30.00.06
Втулка МЧ00.30.00.07
Ключ МЧ00.30.00.08
Все чертежи и 3d модели (все на скриншотах показано и присутствует в архиве) выполнены в КОМПАС 3D.Также открывать и просматривать, печатать чертежи и 3D-модели, выполненные в КОМПАСЕ можно просмоторщиком КОМПАС-3D Viewer.Характеристики решённой задачи
Предмет
Семестр
Номер задания
Вариант
Программы
Теги
Просмотров
12
Качество
Идеальное компьютерное
Размер
707,02 Kb
Список файлов
МЧ00.30.00
~$00.30.00.04_Шпиндель.m3~
~$00.30.00.08_Ключ.m3~
~$эскиз.cd~
МЧ00.30.00.00 Вентиль запорный сп.cdw
МЧ00.30.00.00 Вентиль запорный.a3d
МЧ00.30.00.00 Вентиль запорный.cdw
МЧ00.30.00.01_Корпус.cdw
МЧ00.30.00.01_Корпус.m3d
МЧ00.30.00.02 Крышка аксонометрия.cdw
МЧ00.30.00.02_Крышка.cdw
МЧ00.30.00.02_Крышка.m3d
МЧ00.30.00.03_Фланец.cdw
МЧ00.30.00.03_Фланец.m3d
МЧ00.30.00.04_Шпиндель.cdw
МЧ00.30.00.04_Шпиндель.m3d
МЧ00.30.00.05_Клапан.cdw
МЧ00.30.00.05_Клапан.m3d
МЧ00.30.00.06_Гайка.cdw
МЧ00.30.00.06_Гайка.m3d
МЧ00.30.00.07_Втулка.cdw
МЧ00.30.00.07_Втулка.m3d
МЧ00.30.00.08_Ключ.cdw
МЧ00.30.00.08_Ключ.m3d
поз.13 Картон.m3d
Комментарии
Нет комментариев
Стань первым, кто что-нибудь напишет!
coolns






















