Для студентов МГТУ им. Н.Э.Баумана по предмету Инженерная графикаЗадача 3Задача 3
4,835643
2025-12-112025-12-11СтудИзба
Задача 3 вариант 9
Описание
Домашнее задание по курсу "Инженерная графика" для ИУ1, ИУ2, Э3-13.
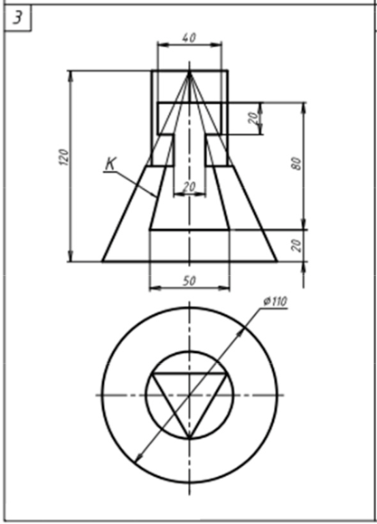
В архиве - трехмерная модель детали и чертеж в формате pdf.
![]()
В архиве - трехмерная модель детали и чертеж в формате pdf.

Файлы условия, демо
Характеристики решённой задачи
Предмет
Учебное заведение
Семестр
Номер задания
Вариант
Программы
Теги
Просмотров
1
Качество
Идеальное компьютерное
Размер
960,51 Kb
Список файлов
Задача3
OldVersions
Задача3.0006.dwg
lockfile.lck
Задача3.dwg
Задача3.ipt
Задача3.pdf
OpelBlitz
Комментарии
Нет комментариев
Стань первым, кто что-нибудь напишет!
МГТУ им. Н.Э.Баумана
OpelBlitz


















