Для студентов МГТУ им. Н.Э.Баумана по предмету Инженерная графикаЗадача 1Задача 1
4,835643
2025-12-092025-12-09СтудИзба
Задача 1 вариант 9
Описание
Домашнее задание по курсу "Инженерная графика" для ИУ1, ИУ2, Э3-13.
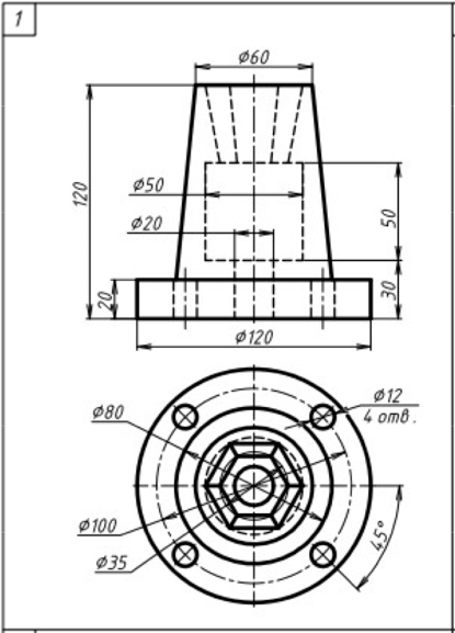
В архиве - трехмерная модель детали и чертеж в формате pdf.
![]()
В архиве - трехмерная модель детали и чертеж в формате pdf.

Файлы условия, демо
Характеристики решённой задачи
Предмет
Учебное заведение
Семестр
Номер задания
Вариант
Программы
Теги
Просмотров
1
Качество
Идеальное компьютерное
Размер
1,19 Mb
Список файлов
Задача1
OldVersions
Задача1.0003.ipt
Задача1.0008.dwg
lockfile.lck
Задача1.dwg
Задача1.ipt
Задача1.pdf
OpelBlitz
Комментарии
Нет комментариев
Стань первым, кто что-нибудь напишет!
МГТУ им. Н.Э.Баумана
OpelBlitz


















