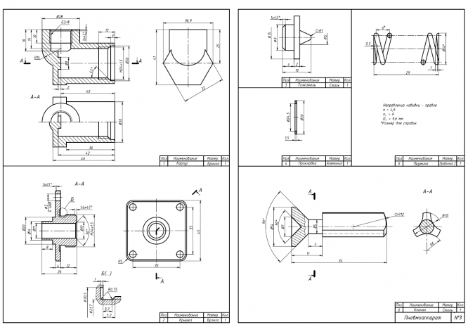
Для студентов МГТУ им. Н.Э.Баумана по предмету Инженерная графикаВариант №3 - Пневмоаппарат (деталировка)Вариант №3 - Пневмоаппарат (деталировка)
4,07514
2021-09-052021-09-05СтудИзба
ДЗ: Вариант №3 - Пневмоаппарат (деталировка) вариант 3
Описание
Характеристики домашнего задания
Предмет
Учебное заведение
Семестр
Вариант
Просмотров
137
Размер
4,61 Mb
Список файлов
Вариант 3
OldVersions
Kryshka.0014.dwg
ProkladkaChertezh.0001.dwg
Pruzhina.0007.dwg
TolkatelChertezh.0002.dwg
Клапан (поз.6).0003.dwg
Детали
OldVersions
Клапан (поз.6).0003.ipt
lockfile.lck
Клапан (поз.6).ipt
Корпус (поз.1).ipt
Крышка (поз.2).ipt
Прокладка (поз.4).ipt
Пружина (поз.5).ipt
Толкатель (поз.3).ipt
Файлы чертежей
Клапан (поз.6).dwg
Крышка (поз.2).dwg
Прокладка (поз.4).dwg
Пружина (поз.5).dwg
Толкатель (поз.3).dwg
Чертежи
Клапан (поз.6).pdf
Корпус (поз.1).pdf
Крышка (поз.2).pdf
Прокладка (поз.4).pdf
Пружина (поз.5).pdf
Толкатель (поз.3).pdf
lockfile.lck
OpelBlitz
Отзывы
Отзыв
в файле нет финальной сборки(ни чертежа, ни модели) и один чертеж деталиотсутствует
Отзыв
Все отлично, только нет сборки целиком
МГТУ им. Н.Э.Баумана
OpelBlitz


















