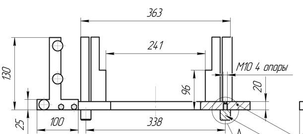
Для студентов КГТУ по предмету Инженерная графикаЧертеж кондуктораЧертеж кондуктора
5,0056
2023-02-242023-02-24СтудИзба
Задача: Чертеж кондуктора
Описание
Характеристики решённой задачи
Предмет
Учебное заведение
Семестр
Просмотров
4
Размер
19,74 Mb
Список файлов
Задание 8.jpg
Кондуктор.jpg
Позиция 1.jpg
Позиция 2.jpg
Позиция 3.jpg
Позиция 4.jpg
Позиция 5.jpg
Позиция 6.jpg
Спецификация на кондуктор(1).jpg

КГТУ

















