Для студентов МАИ по предмету Инженерная графикаДеталь АДеталь А
2025-05-032025-05-03СтудИзба
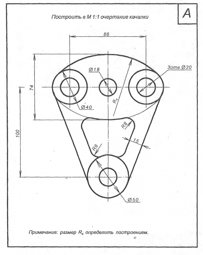
ДЗ А: Деталь А вариант 3
Описание
Чертеж детали А из комплекта заданий по инженерной графике для 2 семестра. На чертеже обозначены вспомогательные линии, используемые при построении изображения, а также проставлены необходимые для построения размеры. Чертеж можно сразу перечерчивать на ватман.
![]()
Характеристики домашнего задания
Предмет
Учебное заведение
Семестр
Номер задания
Вариант
Программы
Просмотров
20
Качество
Идеальное компьютерное
Размер
848,64 Kb
Список файлов
А3
OldVersions
Деталь А-3.0009.dwg
lockfile.lck
Деталь А-3.dwg
Деталь А-3.pdf
OpelBlitz
Комментарии
Нет комментариев
Стань первым, кто что-нибудь напишет!
МАИ
OpelBlitz

















