Для студентов МАИ по предмету Инженерная графикаДеталь АДеталь А
2025-05-022025-05-02СтудИзба
ДЗ А: Деталь А вариант 5
Описание
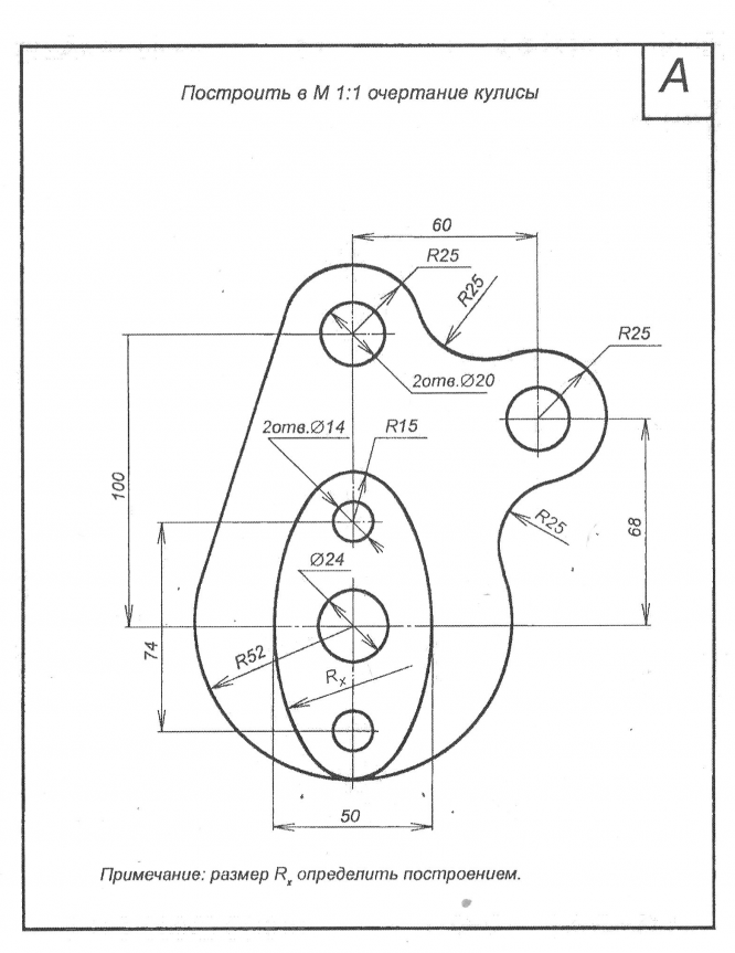
Чертеж детали А из комплекта заданий по инженерной графике для 2 семестра. На чертеже обозначены вспомогательные линии, используемые при построении изображения, а также проставлены необходимые для построения размеры. Чертеж можно сразу перечерчивать на ватман.
![]()
Характеристики домашнего задания
Предмет
Учебное заведение
Семестр
Номер задания
Вариант
Программы
Просмотров
9
Качество
Идеальное компьютерное
Размер
865,58 Kb
Список файлов
А5
OldVersions
Деталь А-5.0007.dwg
lockfile.lck
Деталь А-5.dwg
Деталь А-5.pdf
OpelBlitz
Комментарии
Нет комментариев
Стань первым, кто что-нибудь напишет!
МАИ
OpelBlitz

















