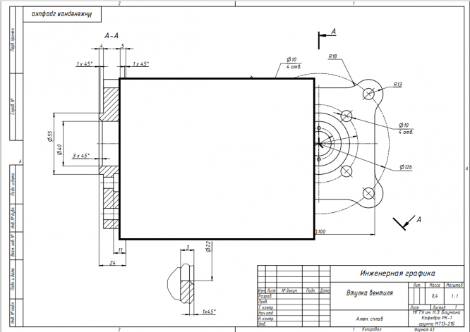
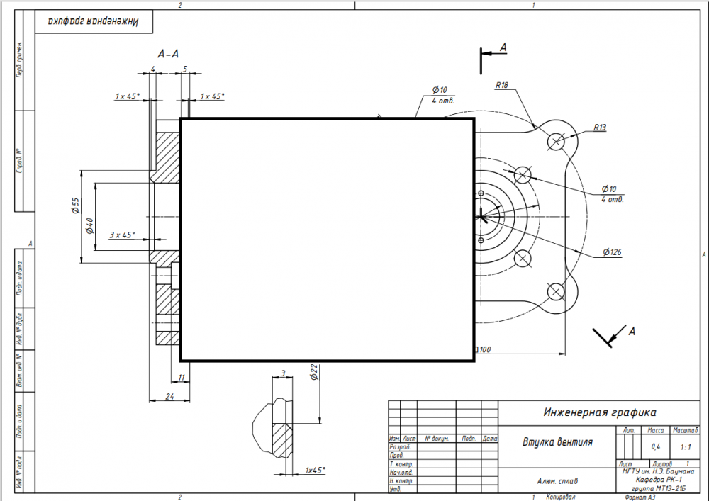
Для студентов МГТУ им. Н.Э.Баумана по предмету Инженерная графикаВтулка вентиляВтулка вентиля
5,0052
2023-02-162024-09-03СтудИзба
ДЗ И: Втулка вентиля вариант 49
-66%
Описание
Характеристики домашнего задания
Предмет
Учебное заведение
Семестр
Номер задания
Вариант
Просмотров
337
Размер
39,03 Kb
Список файлов
• И-49 • Чертеж •.pdf

Друзья, спасибо за доверие! Если вам понравилась работа – поставьте 5⭐ и напишите отзыв. Это поможет другим студентам, а мне даст силы делать ещё больше качественных материалов для вас 🔥