Для студентов МАИ по предмету Инженерная графикаДеталь ЛДеталь Л
5,0054
2023-02-132023-02-13СтудИзба
ДЗ Л: Деталь Л вариант 8
Описание
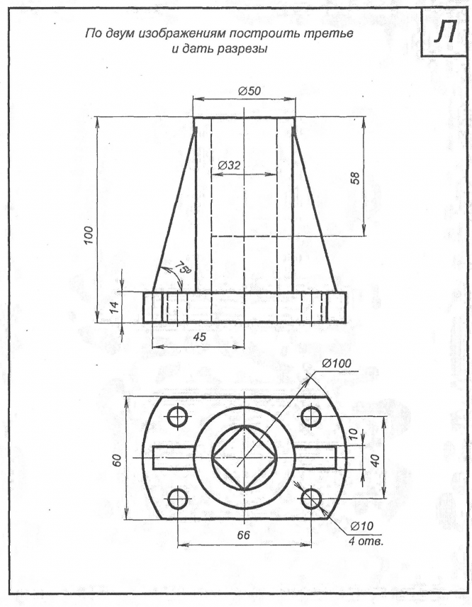
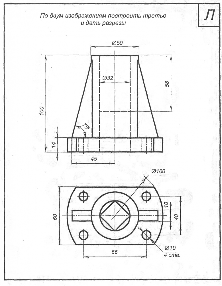
В архиве - 3D модель и чертеж детали из комплекта заданий по инженерной графике для 2 семестра. На чертеже показаны 3 вида детали и выполнены необходимые разрезы.
![]()
Характеристики домашнего задания
Предмет
Учебное заведение
Семестр
Номер задания
Вариант
Программы
Просмотров
35
Качество
Идеальное компьютерное
Размер
1,05 Mb
Список файлов
Деталь Л
OldVersions
Деталь Л.0003.ipt
Деталь Л.0008.dwg
lockfile.lck
Деталь Л.dwg
Деталь Л.ipt
Деталь Л.pdf
OpelBlitz
Комментарии
Нет комментариев
Стань первым, кто что-нибудь напишет!
МАИ
OpelBlitz

















