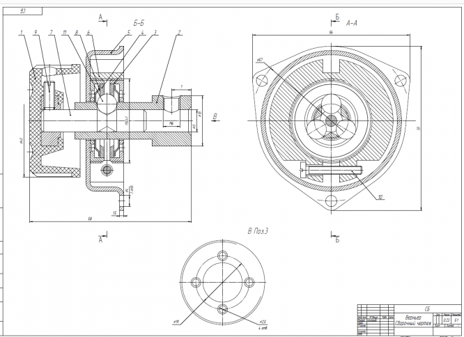
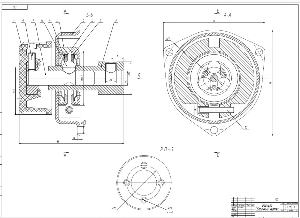
Для студентов МГТУ им. Н.Э.Баумана по предмету Инженерная графикаДеталировка - ВерньерДеталировка - Верньер
5,00519
2022-03-242024-10-02СтудИзба
ДЗ: Деталировка - Верньер
-50%
Описание
Характеристики домашнего задания
Предмет
Учебное заведение
Семестр
Программы
Просмотров
252
Качество
Идеальное компьютерное
Размер
1,56 Mb
Список файлов
Деталировка - Верньер
KOMPAS - Верньер.pdf
KOMPAS - Вставка.pdf
KOMPAS - Втулка.pdf
KOMPAS - Гайка.pdf
KOMPAS - Кольцо.pdf
KOMPAS - Корпус.pdf
KOMPAS - Обойма.pdf
KOMPAS - Ось.pdf
KOMPAS - Рукоятка.pdf
KOMPAS - Шайба пружинная.pdf
Верньер.cdw
Верньер.cdw.bak
Вставка.cdw
Вставка.cdw.bak
Втулка.cdw
Втулка.cdw.bak
Гайка.cdw
Гайка.cdw.bak
Кольцо.cdw
Кольцо.cdw.bak
Корпус.cdw
Корпус.cdw.bak
Лист 1.pdf
Лист 2.pdf
Обойма.cdw
Обойма.cdw.bak
Ось.cdw
Ось.cdw.bak
Рукоятка.cdw

Вам все понравилось? Получите кэшбэк - 40 рублей на Ваш счёт при покупке. Поставьте оценку и напишите положительный комментарий к купленному файлу. После Вы получите деньги на ваш счет.