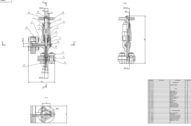
Для студентов МГТУ им. Н.Э.Баумана по предмету Инженерная графикаВентиль угловойВентиль угловой
5,00525
2021-11-092021-11-09СтудИзба
ДЗ А: Вентиль угловой вариант 253
Описание
Файлы условия, демо
Характеристики домашнего задания
Предмет
Учебное заведение
Семестр
Номер задания
Вариант
Просмотров
537
Качество
Идеальное компьютерное
Размер
10,81 Mb
Список файлов
Сборка 3 сем
инвентор
Винт ходовой.idw
Винт ходовой.ipt
Втулка нажимная.idw
Втулка нажимная.ipt
Втулка разрезная.idw
Втулка разрезная.ipt
Втулка разрезная1.ipt
Гайка ходовая.idw
Гайка ходовая.ipt
Дроссель.idw
Дроссель.ipt
Кольцо промежуточное.idw
Кольцо промежуточное.ipt
Кольцо сальника.idw
Кольцо сальника.ipt
Корпус привода.idw
Корпус привода.ipt
Корпус1.idw
Корпус1.ipt
Маховик.idw
Маховик.ipt
Планка стопорная.idw
Планка стопорная.ipt
Сборка1.iam
Сборка1.idw
Фланец транспортный.idw
Фланец транспортный.ipt
Фланец транспортный1.idw
Фланец транспортный1.ipt
Отзывы и вопросы
Вопрос
сделано в компасе?
Отзыв
Есть ошибки, но не критичные и легко исправляются
МГТУ им. Н.Э.Баумана

















