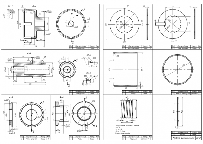
Для студентов МГТУ им. Н.Э.Баумана по предмету Инженерная графикаВариант №18 - Муфта фрикционная (деталировка)Вариант №18 - Муфта фрикционная (деталировка)
5,0054
2021-09-062021-09-06СтудИзба
ДЗ: Вариант №18 - Муфта фрикционная (деталировка) вариант 18
Описание
Характеристики домашнего задания
Предмет
Учебное заведение
Семестр
Вариант
Просмотров
115
Размер
8,13 Mb
Список файлов
Вариант 18
OldVersions
Поз.1. Полумуфта.0002.ipt
Поз.1. Полумуфта.0007.dwg
Поз.2. Полумуфта.0005.ipt
Поз.2. Полумуфта.0008.dwg
Поз.3. Гайка упорная.0001.ipt
Поз.3. Гайка упорная.0005.dwg
Поз.4. Гайка.0002.dwg
Поз.4. Гайка.0002.ipt
Поз.6. Диск ведомый.0003.dwg
Поз.7. Кожух.0002.dwg
Поз.9. Пружина.0003.dwg
Детали
Поз.1. Полумуфта.ipt
Поз.2. Полумуфта.ipt
Поз.3. Гайка упорная.ipt
Поз.4. Гайка.ipt
Поз.5. Диск ведущий.ipt
Поз.6. Диск ведомый.ipt
Поз.7. Кожух.ipt
Поз.8. Кольцо стопорное.ipt
Поз.9. Пружина.ipt
Поз.10. Шайба.ipt
Файлы чертежей
Поз.1. Полумуфта.dwg
Поз.2. Полумуфта.dwg
Поз.3. Гайка упорная.dwg
Поз.4. Гайка.dwg
Поз.5. Диск ведущий.dwg
Поз.6. Диск ведомый.dwg
OpelBlitz
Комментарии
Нет комментариев
Стань первым, кто что-нибудь напишет!
МГТУ им. Н.Э.Баумана
OpelBlitz

















