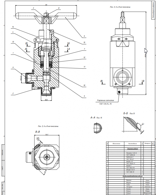
Для студентов МГТУ им. Н.Э.Баумана по предмету Инженерная графикаВентиль угловойВентиль угловой
5,0051
2021-07-052021-07-05СтудИзба
ДЗ Б: Вентиль угловой вариант 154
Описание
Характеристики домашнего задания
Предмет
Учебное заведение
Семестр
Номер задания
Вариант
Просмотров
81
Размер
9,08 Mb
Список файлов
Б154 Сборка
OldVersions
Б-154.ipj.bak
Вороток сталь.0002.ipt
Втулка латунь.0002.ipt
Втулка латунь.0003.ipt
Гайка сталь.0003.ipt
Гайка сталь.0004.ipt
Клапан сталь.0007.ipt
Кольцо латунь.0001.ipt
Корпус латунь.0002.ipt
Корпус латунь.0003.ipt
Корпус латунь.0004.ipt
Корпус латунь.0006.ipt
Крышка латунь.0002.ipt
Сборка2.0001.iam
Сборка11 копия (2).0003.iam
Сборка11 копия (3).0004.iam
Сборка11 копия (4).0005.iam
Сборка11 копия.0002.iam
Сборка11.0007.iam
Сборка11.0024.idw
Шпиндель сталь.0002.ipt
Шпиндель сталь.0003.ipt
Б-154.ipj
Винт A.M5-6gx8 ГОСТ 17473-80.ipt
Винт B.M10-6gx25 ГОСТ 17473-80.ipt
Вороток сталь.ipt
Втулка латунь.ipt
Гайка M20-6H ГОСТ 5915-70.ipt
Гайка сталь.ipt
Комментарии
Нет комментариев
Стань первым, кто что-нибудь напишет!

МГТУ им. Н.Э.Баумана


















