Для студентов МГТУ им. Н.Э.Баумана по предмету Инженерная графикаВентиль угловойВентиль угловой
5,0059
2015-12-252024-10-02СтудИзба
ДЗ Б: Вентиль угловой вариант 154
-50%
Описание
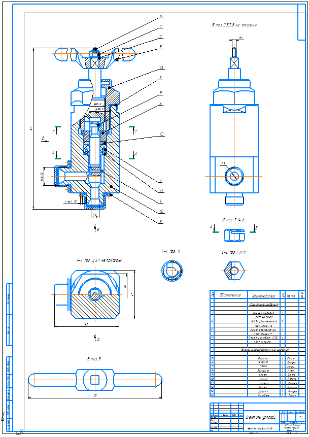
Чертеж сборки ![]()
Эскизы
- 5. Вороток
- 6. Втулка
- 7. Гайка
- 8. Заглушка
- 9. Клапан
- 10. Корпус
- 11. Кольцо
- 12. Кольцо
- 13. Крышка
- 14. Шпиндель
- Сборка
Образец ![]()
Файлы условия, демо
Характеристики домашнего задания
Предмет
Учебное заведение
Семестр
Номер задания
Вариант
Программы
Просмотров
944
Качество
Идеальное компьютерное
Размер
27,32 Mb
Список файлов
Сборка
Вид главный.jpg
Вид общий.jpg
Вид сверху.jpg
Вид слева.jpg
Разрезы.jpg
Эскизы
5. Вороток.JPG
6. Втулка.JPG
7. Гайка.JPG
8. Заглушка.JPG
9. Клапан.JPG
10. Корпус - 0.jpg
10. Корпус - 1.jpg
10. Корпус - 2.jpg
10. Корпус - 3.jpg
10. Корпус - 4.JPG
11. Кольцо.JPG
12. Кольцо.JPG
13. Крышка.JPG
14. Шпиндель.JPG
Б-154 - Компас.cdw

Вам все понравилось? Получите кэшбэк - 40 рублей на Ваш счёт при покупке. Поставьте оценку и напишите положительный комментарий к купленному файлу. После Вы получите деньги на ваш счет.