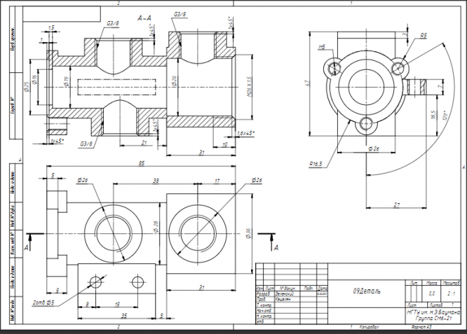
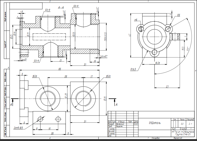
Для студентов МГТУ им. Н.Э.Баумана по предмету Инженерная графикаВариант 9 - ДетальВариант 9 - Деталь
2021-04-282024-10-15СтудИзба
ДЗ: Вариант 9 - Деталь вариант 9
Описание
Характеристики домашнего задания
Предмет
Учебное заведение
Семестр
Вариант
Просмотров
498
Качество
Идеальное компьютерное
Размер
32,23 Kb
Список файлов

Друзья, спасибо за доверие! Если вам понравилась работа – поставьте 5⭐ и напишите отзыв. Это поможет другим студентам, а мне даст силы делать ещё больше качественных материалов для вас 🔥
Комментарии

+