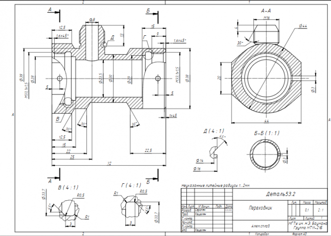
Для студентов МГТУ им. Н.Э.Баумана по предмету Инженерная графикаПереходникПереходник
4,90547163
2021-04-212024-10-06СтудИзба
ДЗ А: Переходник вариант 68
-55%
Описание
Характеристики домашнего задания
Предмет
Учебное заведение
Семестр
Номер задания
Вариант
Просмотров
271
Размер
89,25 Kb
Список файлов
Переходник..pdf

Друзья, спасибо за доверие! Если вам понравилась работа – поставьте 5⭐ и напишите отзыв. Это поможет другим студентам, а мне даст силы делать ещё больше качественных материалов для вас 🔥